ph2.by Нержавеющий крепеж
Интернет-магазин представительского класса
Каталог
По всему сайту
По каталогу
Каталог
Саморезы
Саморезы по металлу
DIN 7981 Саморез с полукруглой головкой PH
DIN 7982 Саморез с потайной головкой PH
DIN 7976 Саморез с шестигранной головкой
ISO 14585 Саморез с полукруглой ТХ
ISO 14586 Саморез с потайной ТХ
Art. 9051 Саморез с головкой DIN 912
Art. 0605 Саморез с полукруглой низкой ТХ
Art. 1506 Саморез с потайной низкой ТХ
Art. 9999 Саморез с прессшайбой остроконечный
DIN 7981F Саморез с полукруглой тупоконечный
DIN 7982F Саморез с потайной тупоконечный
DIN 7983 Саморез с полупотойной PH
DIN 7971 Саморез с полукруглой со шлицем
DIN 7972 Саморез с потайной со шлицем
DIN 7973 Саморез с полупотайной со шлицем
DIN 7976 Саморез с шестигранной со шлицем
ISO 14587 Саморез с полупотайной ТХ
Art. 9065 Саморез с полукруглой головкой и подголовником
Art. 9066 Саморез с полиамидной шайбой
Саморез оконный по бетону
Саморезы по дереву
Art. 9242 Саморез террасный потайной и режущей кромкой
Art. 9050 Саморез с потайной головкой PZ
Art. 9042 Саморез потайной с режущей кромкой
Art. 9043 Саморез террасный полупотайной и режущей кромкой
Art. 9142 Саморез террасный потайной и режущей кромкой
Art. 9040 Саморез потайной со сверлом
Art. 9041 Саморез полупотайной со сверлом
Art. 9044 Саморез потайной со сверлом
Art. 9045 Саморез полукруглой остроконечный
Art. 9046 Саморез полупотайной остроконечный
Art. 9047 Саморез потайной остроконечный
Art. 9048 Саморез полукруглой остроконечный PZ
Art. 9049 Саморез полупотайной головкой PZ
Art. 9143 Саморез террасный потайной и режущей кромкой
Art. 9241 Саморез террасный потайной со сверлом, С1
Art. 9241 Саморез террасный потайной и режущей кромкой
Art. 9243 Саморез террасный с циллиндрической головкой остроконечный
Art. 9244 Саморез потайной со сверлом, С1
Art. 9245 Саморез террасный с цилиндрической головкой и режущей кромкой, С1
Art. 9246 Саморез потайной со сверлом, С1
Art. 9086 Саморез с увеличенной низкой полукруглой
Art. 9147 Саморез потайной остроконечный
Art. 9250 Саморез полукруглой и с фланцем и режущей кромкой
Саморезы со сверлом
DIN 7504 K Саморез кровельный
DIN 7504 M Саморез со сверлом и полукруглой головкой
DIN 7504 O Саморез со сверлом потайной
ISO 15480 Саморез кровельный AISI410
Art. 9998 Саморез с прессшайбой и сверлом
Art. 9504 Саморез шестигранный биметаллический со сверлом
Art. 9505 Саморез шестигранный биметаллический остроконечный
Art. 9510 Саморез потайной биметаллический со сверлом
Art. 9520 Саморез для фиброцементных листов
Art. 9604 Саморез шестигранный со сверлом и ЕПДМ
ONS Саморез для сэндвичпанелей
Саморезы фасадные
Art. 9057 Саморез шестигранный EPDM 16mm
Art. 9059 Саморез шестигранный EPDM 19mm
Art. 9067 Саморез полупотайной PZ, EPDM 15mm
Art. 9068 Саморез полупотайной PZ, EPDM 20mm
Art. 9069 Саморез полупотайной PZ, EPDM 25mm
Art. 9087 Саморез полупотайной TX, EPDM 15mm
Art. 9088 Саморез полупотайной TX, EPDM 20mm
Art. 9089 Саморез полупотайной TX, EPDM 25mm
Art. 9092 Саморез для облицовки термопластами
Art. 9098 Саморез шестигранный EPDM 22mm
Art. 9167 Саморез по дереву потайной PZ с EPDM 15mm
Art. 9168 Саморез по дереву потайной PZ с EPDM 20mm
Art. 9169 Саморез по дереву потайной PZ с EPDM 25mm
Art. 9087 Саморез полупотайной TX, EPDM 15mm, 100шт
Art. 9087 Саморез полупотайной TX25, EPDM 15mm
Art. 9088 Саморез полупотайной TX25, EPDM 20mm
Art. 9387 Саморез полупотайной TX20, сверлом и EPDM 15mm
Art. 9388 Саморез полупотайной TX20, сверлом и EPDM 20mm
Саморезы для плаcтика
Art. 9090 Саморез для пластика потайной
Art. 9091 Саморез для пластика полукруглый
Шурупы
DIN 571 Шуруп глухарь
DIN 7995 Шуруп с полупотайной PZ
DIN 7996 Шуруп с полукруглой PZ
DIN 7997 Шуруп с потайной PZ
DIN 95 Шуруп с полупотайной под шлиц
DIN 96 Шуруп с полукруглой под шлиц
DIN 97 Шуруп с потайной под шлиц
Art. 9063 Шуруп для рояльных петель
Art. 9079 Шуруп с петлей
Art. 9084 Шуруп Г-образный
Болты
Болты шестигранные
DIN 931 Болт шестигранный с неполной резьбой
DIN 933 Болт шестигранный с полной резьбой
ISO 4014 Болт шестигранный с неполной резьбой
ISO 4017 Болт шестигранный с полной резьбой
Болты с мелким шагом резьбы
DIN 961 Болт с мелким шагом резьбы
Болты с фланцем
DIN 6921 Болт шестигранный с фланцем
Болты с квадратной головой
Art. 9038 Болт с квадратной головой
Болты мебельные
DIN 603 Болт мебельный с полукруглой головкой
Болт норийный
Болты с Т-образной головой
Art. 9019 Болт с Т-образной головкой для профиля 41/41
Art. 9094 Болт с Т-образной головкой для профиля 50/30
Art. 9095 Болт с Т-образной головкой для профиля 40/22
Art. 9096 Болт с Т-образной головкой для профиля 38/17
Art. 9097 Болт с Т-образной головкой для профиля 28/15
Art. 9197 Болт с Т-образной головкой для профиля 20/12
Art. 9595 Болт с Т-образной головкой для профиля 41/22
Рым-болты
DIN 580 Рым-болт кованный
Art. 580 Рым-болт литой
Болты штырьевые
Art. 9099 Болт с Т-образной и EPDM вставкой
Art. 9099 Болт с Т-образной и шариковой пружиной
Болт откидной
Винты
Винты метрические
ISO 4762 Винт с циллиндрической головкой под вн. Шестигр.
ISO 10642 Винт с потайной головкой под вн.шестигр.
DIN 965 Винт с потайной головкой под крест
DIN 7984 Винт с циллиндрической низкой головкой
DIN 7985 Винт с полукруглой головкой под крест
DIN 84 Винт с циллиндрической головкой под шлиц
ISO 7380 Винт с полукруглой головкой под вн.шестигр.
NF E 25-129 Винт мебельный под крест
NF E 27-128 Винт мебельный под шлиц
DIN 404 Винт пломбировочный
DIN 427 Штифт резьбовой
DIN 464 Винт накатной
DIN 465 Винт накатной со шлицем
DIN 653 Винт накатной низкий
DIN 6912 Винт с низкой циллиндричческой головкой
DIN 85 Винт с циллиндрической скругленной головкой
DIN 920 Винт с циллиндрической плоской головкой
DIN 921 Винт с плоской увеличенной головкой
DIN 923 Винт ступенчатый с плоской увеличенной головкой
DIN 963 Винт потайной со шлицем
DIN 964 Винт с полупотайной головкой со шлицем
DIN 966 Винт с полупотайной головкой под крест
DIN 912 Винт с циллиндрической головкой TX.
DIN 7984 Винт с циллиндрической низкой головкой TX
DIN 965 Винт с потайной головкой TX
DIN 7985 Винт с полукруглой головкой TX
DIN 964 Винт с полупотайной головкой TX
Art. 9020 Винт с увеличенной головкой как iso7380
Art. 9078 Винт с петлей
Art. 9081 Винт с крюком
Art. 9155 Винт антивандальный с отрывной головкой
DIN 316 Винт барашковый немецкий тип
Art. 315 Винт барашковый американский тип
Винты установочные
DIN 417 Винт установочный(гужон)
DIN 428 Винт установочный(гужон)
DIN 551 Винт установочный(гужон) с тупым концом
DIN 553 Винт установочный(гужон) с отстрым концом
ISO 4026 Винт установочный(гужон) с тупым концом
ISO 4027 Винт установочный(гужон) с острым концом
ISO 4028 Винт установочный(гужон)
ISO 4029 Винт установочный(гужон)
Антивандальный крепёж
Art. 9100 Саморез антивандальный полугруглый с 2 отв.
Art. 9101 Винт антивандальный полугруглый с 2 отв.
Art. 9100 Саморез антивандальный потайной с 2 отв.
Art. 9103 Винт антивандальный потаной с 2 отв.
Art. 9104 Саморез антивандальный полупотайной с 2 отв.
Art. 9105 Винт антивандальный полупотаной с 2 отв.
Art. 9109 Бита антивандальная 2 отв.
Art. 9110 Саморез антивандальный полугруглый HEX-PIN.
Art. 9111 Винт антивандальный полугруглы HEX-PIN
Art. 9112 Саморез антивандальный потаной HEX-PIN
Art. 9113 Винт антивандальный потайной HEX-PIN
Art. 9118 Ключ для антивандальных винтов HEX-PIN
Art. 9119 Бита для антивандальных винтов HEX-PIN
Art. 9120 Саморез антивандальный полугруглый ТХ-PIN.
Art. 9111 Винт антивандальный полугруглы ТХ-PIN
Art. 9122 Саморез антивандальный потаной ТХ-PIN
Art. 9123 Винт антивандальный потайной ТХ-PIN
Art. 9128 Ключ для антивандальных винтов ТХ-PIN
Art. 9119 Бита для антивандальных винтов ТХ-PIN
Art. 9130 Саморез антивандальный полугруглый ONE-WAY
Art. 9131 Винт антивандальный полугруглы ONE-WAY
Art. 9132 Саморез антивандальный полупотаной ONE-WAY
Art. 9139 Отвертка для антивандальных винтов ONE-WAY
Art. 9140 Винт антивандальный полугруглый + заглушка
Art. 9141 Винт антивандальный потайной + заглушка
Art. 9145 Заглушка антивандальная
Винты резьбовыдавливающие
DIN 7500C Винт резбовыдавливающий полукруглый
DIN 7500М Винт резбовыдавливающий потайной
Пробки резьбовые
DIN 906 Пробка с конической резьбой и вн.6-гр.
DIN 908 Пробка резьбовая с фланцем под вн.6-гр.
DIN 910 Пробка резьбовая с фланцем шестигранная
Шпильки
Шпилька резьбовая
DIN 976 Шпилька с полной резьбой 1м, 2м, 3м
DIN 976 Шпилька резьбовая с левой резьбой
DIN 976 B Шпилька резьбовая
Шпильки ввинчиваемые
DIN 835 Шпилька с ввинчиваемым концом 2d
DIN 938 Шпилька с ввинчиваемым концом 1d
DIN 939 Шпилька с ввинчиваемым концом 1,25d
Шпильки приварные
ISO 13918 Шпилька приварная
Шпильки сантехнические
Art. 9082 Шпилька сантехническая
Art. 9182 Шпилька для монтажа солнечных батарей
Гайки
Гайки с мелким шагом резьбы
Гайки шестигранные
ISO10511 Гайка шестигранная самоконтрящаяся низкая
DIN 934 Гайка шестигранная
DIN 439 Гайка шестигранная низкая
DIN 6330 (Шестигранная высокая гайка тип B)
DIN 6331 Гайка шестигранная высокая с фланцем
DIN 6334 Гайка соединительная высота=3xd
DIN 6923 Гайка шестигранная с фланцем
DIN 6926 Гайка шестигранная самоконтрящаяся с фланцем
DIN 929 Гайка шестигранная приварная
DIN 935 Гайка шестигранная корончатая
DIN 936 Гайка шестигранная низкая
DIN 937 Гайка шестигранная корончатая низкая
DIN 979 Гайка шестигранная щелевая низкая
ISO 4032 Гайка шестигранная
ISO 4035 Гайка шестигранная низкая
ISO 8675 Гайка низкая с мелким шагом резьбы
Art. 9085 (Двухсоставная с шайбой-фланцем)
Art. 980 Гайка шестигранная самостопорящаяся
UNI 5587 Гайка шестигранная высокая, высота=d
DIN 985 Гайка шестигранная самоконтрящаяся низкая
DIN 917 Гайка колпачковая низкая
DIN 982 Гайка шестигранная самоконтрящаяся высокая
DIN 1587 Гайка колпачковая шестигранная высокая
DIN 986 Гайка колпачковая самоконтрящаяся высокая
Гайки квадратные
DIN 557 Гайка квадратная с фаской
DIN 562 Гайка квадратная низкая
DIN 928 Гайка квадратная приварная
Втулки резьбовые
Art. 7965 Муфта мебельная резьбовая
Art. 9070 Втулка круглая резьбовая
Art. 9071 Муфта соединительная шестигранная с резьбой
Рым-гайки
DIN 582 Рым-гайка кованная
Art. 582 Рым-гайка литая
Гайка забивная
Art. 9260 Гайка забивная мебельная
Гайки барашковые
DIN 315 Гайка барашковая, немецкий тип
Art. 315 Гайка барашковая, американский тип
Гайки запресовочные
Art. 9064 Гайка запрессовываемая
Гайки с накаткой
DIN 466 Гайка накатная, высокий тип
DIN 467 Гайка накатная, низкий тип
Гайки трубные
DIN 431 Гайка трубная
Гайки приварные
Art. 9060 Гайка приварная с фланцем
Гайки скользящие
Art. 9199 Гайка скользящая
Art. 9199 Гайка скользящая с фиксатором
Гайки стопорные пружинные
DIN 7967 Гайка стопорная пружинная
Втулки самонарезающие
Art. 9058 Резьбовая вставка
Гайки мебельные
Art. 9262 гайка мебельная
Art. 9061 Гайка мебельная стяжная
Art. 9062 Гайка мебельная стяжная
Гайки круглые шлицевые
DIN 546 Гайка круглая шлицевая
Гайки с внутренним шестигранником
Art. 9022 Гайка с внутренним шестигранником
Гайки рычажковые
DIN 80701 Гайка рычажковая
Гайки швартовные с кольцом
DIN 80704 Гайка швартовая с кольцом
Гайки отрывные
Art. 9150 Гайка отрывная
Гайки клетевые закладные
Art. 9039 Гайка клетевая
Гайки Т-образные
Art. 9023 Гайка Т-образная
Шайбы
Шайбы плоские
ISO 7092 Шайба плоская уменьшенная
DIN 125 Шайба плоская без фаски
DIN 9021 Шайба плоская увеличенная D=3d
DIN 436 Шайба квадратная
DIN 433 Шайба плоская уменьшенная
DIN 1052 Шайба плоская увеличенная для деревянных контр.
DIN 1440 Шайбы для пальцев, чистовая обработка средняя
DIN 1441 Шайбы для пальцев, чистовая обработка грубая
DIN 440 Шайба мебельная
DIN 7989 Шайба плоская усиленная
ISO 7089 Шайба плоская без фаски
ISO 7090 Шайба плоская c фаской
ISO 7093 Шайба плоская увеличенная D=3d
Шайбы пружинные
DIN 127 Шайба пружинная(гровер) с притупленными концами
DIN 128 Шайба пружинная(гровер) с отогнутыми концами
DIN 7980 Шайба пружинная(гровер) для циллиндрических винтов
Шайбы-розетки
NF E 27-619 Шайба-розетка полнотелая
NF E 27-619 Шайба-розетка штампованная
Шайбы с ЕPDM уплотнением
Art. 9055 Шайбы с ЕPDM уплотнением
Шайбы зубчатые
DIN 6798 Шайба зубчатая стопорная пружинная
DIN 6797 Шайба зубчатая стопорная пружинная
Шайбы стопорные лапчатые
DIN 432 Шайба стопорная с наружной лапой
DIN 463 Шайба стопорная с 1 лапами
DIN 93 Шайба стопорная с 1 лапой
Шайбы пружинные конические
DIN 6796 Шайба тарельчатая пружинная
Шайбы регулировочные
DIN 988 Шайба регулировочная
Шайбы пружинные изогнутые
DIN 137 Шайба пружинная изогнутая
Шайбы косые квадратные
DIN 434 Шайба квадратная косая
DIN 435 Шайба квадратная косая
Шайбы AFNOR
NF E 25-513 Шайба стопорная пружинная
NF E 25-511 Шайба стопорная пружинная с насечками
NF E 25-514 Шайба стопорная пружинная с насечками
Шайбы плоские усиленные
DIN 7349 Шайба для пружинных штифтов по DIN 1481
Шайбы увеличенные
Art. 9054 Шайба плоская увеличенная
Шайбы защитные
Art. 9093 Шайба стопорная формы S
Art. 9093 Шайба стопорная формы S типа Schnorr
Art. 9210 Шайба клиновая, стандартная
Art. 9211 Шайба клиновая, увеличенная
Art. 9215 Шайба клиновая зубчатая изогнутая
Art. 9217 Шайба зубчатая коническая изогнутая, тип М
Art. 9219 Шайба зубчатая коническая изогнутая, тип S
Art. 9221 Шайба зубчатая коническая изогнутая, тип L
Шайбы тарельчатые
DIN 6319 Шайбы сферические
DIN 2093 Шайба тарельчатая пружинная
Заклёпки
Заклёпки вытяжные
ISO 15983 Заклёпка вытяжная со стандартным бортиком
ISO 15984 Заклёпка вытяжная с потайным бортиком
ISO 16585 Заклёпка вытяжная закрытая(глухая)
ISO 15983 Заклёпка вытяжная с увеличенным бортиком
Заклёпки под молоток
DIN 660 Заклёпка под молоток с полукруглой головкой
DIN 661 Заклёпка под молоток с потайной головкой
Заклёпки резьбовые
Art. 1022 Резьбовая заклёпка с уменьшенным потайным бортиком закрытая
Art. 1024 Резьбовая заклёпка с потайным бортиком закрытая
Art. 1026 Резьбовая заклёпка с увеличенным цилиндрическим бортиком закрытая
Art. 1028 Резьбовая заклёпка шестигранные с уменьшенным потайным бортиком закрытая
Art. 1030 Резьбовая заклёпка шестигранная с увеличенным цилиндрическим бортиком закрытая
Art. 1021 Резьбовая заклёпка с уменьшенным потайным бортиком
Art. 1023 Резьбовая заклёпка с потайным бортиком
Art. 1025 Резьбовая заклёпка с увеличенным цилиндрическим бортиком
Art. 1027 Резьбовая заклёпка шестигранные с уменьшенным потайным бортиком
Art. 1029 Резьбовая заклёпка шестигранная с увеличенным цилиндрическим бортиком
Цепи,тросы,такелаж
Цепи
DIN 763 Цепь длиннозвенная
DIN 766 Цепь короткозвенная
DIN 5686 Цепь с двойной петлёй
Аксессуары
Art.9610 Талреп кольцо-кольцо
Art.9611 Талреп крюк-крюк
Art.9612 Талреп крюк-кольцо
Art.9620 Коуш для троса
Art.9625 Зажим троса
Art.9626 Зажим троса двойной
Art.9635 Карабин
Art. 9640 Такелажная скоба
Art. 9641 Такелажная скоба omega
Art. 8254 Вертлюг кольцо-кольцо
Art. 8255 Вертлюг кольцо-вилка
Art. 8256 Вертлюг вилка-вилка
Art. 8259 Такелажная скобы длинная
Art. 8260 Такелажная скоба OMEGA
Art. 9645 Карабин винтовой
Тросы
Art. 8378 Трос жесткий ,свивка 1х19
Art. 8379 Трос средней жесткости, свивка 7х7
Art. 8381 Трос средней жесткости, свивка 7х7 в ПВХ
Art. 8382 Трос мягкий ,свивка 7х19
Другое
Анкера
Art. 9001 Анкер болт шестигранный
Art. 9004 Анкер клиновой А4
Art. 9362 Анкер клиновой А2
Анкер забивной
Дюбель-гвоздь
Анкер химический
Штифты
DIN 6325D 5x10 Штифт циллиндрический с отв.
DIN 6325
DIN 1475 Штифт с насечкой по центру
ISO 8733 Штифт циллиндрический с внут. резьбой
DIN 7 Штифт циллиндрический
DIN 1476 Штифт с насечкой
DIN 1471 Штифт с насечкой
DIN 1472 Штифт с насечкой
DIN 1473 Штифт с насечкой
DIN 1474 Штифт с насечкой
ISO 8750 Штифт пружинный с прорезью
ISO 8752 Штифт пружинный с прорезью
DIN 1 Штифт конический
Клипсы
Хомуты
КТР Хомут сантехнический КТР
Хомут силовой
DIN 3017 Хомут червячный
Гвозди
Art. 415 гладкий с полукруглой
Art. 129 Гвоздь из нержавеющей стали крашеный
Art. 441 Гвоздь ершеный
Art. 417 Гвоздь гладкий c плоской
Стопорные кольца
DIN 471 Стопорное кольцо наружнее
DIN 472 Стопорное кольцо внутреннее
DIN 6799 Шайба упорная быстросъемная
Шплинты
Art. 9660 Шплинт пружинный
DIN 94 Шплинт
Шпонки
DIN 6885 Шпонка призматическая
Крюки с резьбой по дереву
Art. 9080 Шуруп с крюком
Шплинты с кольцом
DIN 11024 Шплинт пружинный
EPDM-уплотнение
Петли
Art. 8233 Петля шарнирная
Art. 8514 Петля шарнирная усиленная
Монтажные пластины
Art. 9035 Монтажная пластина
Регулировочные кольца
DIN 705 Кольцо установочное
Скобы
DIN 3570 Болт-скоба U-образная М10
Art. 3570 Болт-скоба U-образная М8
Art. 3575 Болт-скоба прямоугольная
Art. 8230 Болт-скоба U-образная с гайками и шайбами
Крепления
Art. 9036 Соединитель
Шарики
DIN 5401 Шарик антивандальный
Кровельные крюки
Art. 9033 Кровельный крюк
Art. 9034 Кровельный крюк регулируемый
Колпачки алюминиевые
Art. 9183 Колпачек алюминиевый
Звездочки
Art. 9156 Заглушка антивандальная под звездочку
Резьбовые пластины
Art. 9297 Резьбовая пластина
Инструменты
Art. 217810 Ответрка магнитная для бит
Фланцы
Защёлки рычажные
Акции
Блог
Как купить
Условия оплаты
Условия доставки
Условия оплаты
Условия доставки
Как сделать заказ
Компания
О компании
Новости
Отзывы
Контакты
Вопросы и ответы
Сертификаты
Контакты
+375 (29) 661-10-85
Заказать звонок
Задать вопрос
sales@ph2.by
г. Минск, ул.Западная 13-318
  • Instagram
  • Telegram
  • Viber
  • Viber
  • О компании
  • Доставка
  • Оплата
  • Отзывы
  • Новости
  • Статьи
  • Сертификаты
  • Вопросы и ответы
  • Контакты
  • ...
    ph2.by Нержавеющий крепеж
    Минск, Западная 13
    ПН-ПТ: 9:00 - 17:00
    +375 (29) 661-10-85
    Заказать звонок
    sales@ph2.by
    • Instagram
    • Telegram
    • Viber
    • Viber
    Каталог
    По всему сайту
    По каталогу
    Акции
    Саморезы
    • Саморезы по металлу
      Саморезы по металлу
      • DIN 7981 Саморез с полукруглой головкой PH
      • DIN 7982 Саморез с потайной головкой PH
      • DIN 7976 Саморез с шестигранной головкой
      • ISO 14585 Саморез с полукруглой ТХ
      • ISO 14586 Саморез с потайной ТХ
      • Art. 9051 Саморез с головкой DIN 912
      • Art. 0605 Саморез с полукруглой низкой ТХ
      • Art. 1506 Саморез с потайной низкой ТХ
      • Art. 9999 Саморез с прессшайбой остроконечный
      • DIN 7981F Саморез с полукруглой тупоконечный
      • DIN 7982F Саморез с потайной тупоконечный
      • DIN 7983 Саморез с полупотойной PH
      • DIN 7971 Саморез с полукруглой со шлицем
      • DIN 7972 Саморез с потайной со шлицем
      • DIN 7973 Саморез с полупотайной со шлицем
      • DIN 7976 Саморез с шестигранной со шлицем
      • ISO 14587 Саморез с полупотайной ТХ
      • Art. 9065 Саморез с полукруглой головкой и подголовником
      • Art. 9066 Саморез с полиамидной шайбой
      • +  ЕЩЕ
    • Саморез оконный по бетону
      Саморез оконный по бетону
    • Саморезы по дереву
      Саморезы по дереву
      • Art. 9242 Саморез террасный потайной и режущей кромкой
      • Art. 9050 Саморез с потайной головкой PZ
      • Art. 9042 Саморез потайной с режущей кромкой
      • Art. 9043 Саморез террасный полупотайной и режущей кромкой
      • Art. 9142 Саморез террасный потайной и режущей кромкой
      • Art. 9040 Саморез потайной со сверлом
      • Art. 9041 Саморез полупотайной со сверлом
      • Art. 9044 Саморез потайной со сверлом
      • Art. 9045 Саморез полукруглой остроконечный
      • Art. 9046 Саморез полупотайной остроконечный
      • Art. 9047 Саморез потайной остроконечный
      • Art. 9048 Саморез полукруглой остроконечный PZ
      • Art. 9049 Саморез полупотайной головкой PZ
      • Art. 9143 Саморез террасный потайной и режущей кромкой
      • Art. 9241 Саморез террасный потайной со сверлом, С1
      • Art. 9241 Саморез террасный потайной и режущей кромкой
      • Art. 9243 Саморез террасный с циллиндрической головкой остроконечный
      • Art. 9244 Саморез потайной со сверлом, С1
      • Art. 9245 Саморез террасный с цилиндрической головкой и режущей кромкой, С1
      • Art. 9246 Саморез потайной со сверлом, С1
      • Art. 9086 Саморез с увеличенной низкой полукруглой
      • Art. 9147 Саморез потайной остроконечный
      • Art. 9250 Саморез полукруглой и с фланцем и режущей кромкой
      • +  ЕЩЕ
    • Саморезы со сверлом
      Саморезы со сверлом
      • DIN 7504 K Саморез кровельный
      • DIN 7504 M Саморез со сверлом и полукруглой головкой
      • DIN 7504 O Саморез со сверлом потайной
      • ISO 15480 Саморез кровельный AISI410
      • Art. 9998 Саморез с прессшайбой и сверлом
      • Art. 9504 Саморез шестигранный биметаллический со сверлом
      • Art. 9505 Саморез шестигранный биметаллический остроконечный
      • Art. 9510 Саморез потайной биметаллический со сверлом
      • Art. 9520 Саморез для фиброцементных листов
      • Art. 9604 Саморез шестигранный со сверлом и ЕПДМ
      • ONS Саморез для сэндвичпанелей
      • +  ЕЩЕ
    • Саморезы фасадные
      Саморезы фасадные
      • Art. 9057 Саморез шестигранный EPDM 16mm
      • Art. 9059 Саморез шестигранный EPDM 19mm
      • Art. 9067 Саморез полупотайной PZ, EPDM 15mm
      • Art. 9068 Саморез полупотайной PZ, EPDM 20mm
      • Art. 9069 Саморез полупотайной PZ, EPDM 25mm
      • Art. 9087 Саморез полупотайной TX, EPDM 15mm
      • Art. 9088 Саморез полупотайной TX, EPDM 20mm
      • Art. 9089 Саморез полупотайной TX, EPDM 25mm
      • Art. 9092 Саморез для облицовки термопластами
      • Art. 9098 Саморез шестигранный EPDM 22mm
      • Art. 9167 Саморез по дереву потайной PZ с EPDM 15mm
      • Art. 9168 Саморез по дереву потайной PZ с EPDM 20mm
      • Art. 9169 Саморез по дереву потайной PZ с EPDM 25mm
      • Art. 9087 Саморез полупотайной TX, EPDM 15mm, 100шт
      • Art. 9087 Саморез полупотайной TX25, EPDM 15mm
      • Art. 9088 Саморез полупотайной TX25, EPDM 20mm
      • Art. 9387 Саморез полупотайной TX20, сверлом и EPDM 15mm
      • Art. 9388 Саморез полупотайной TX20, сверлом и EPDM 20mm
      • +  ЕЩЕ
    • Саморезы для плаcтика
      Саморезы для плаcтика
      • Art. 9090 Саморез для пластика потайной
      • Art. 9091 Саморез для пластика полукруглый
    • Шурупы
      Шурупы
      • DIN 571 Шуруп глухарь
      • DIN 7995 Шуруп с полупотайной PZ
      • DIN 7996 Шуруп с полукруглой PZ
      • DIN 7997 Шуруп с потайной PZ
      • DIN 95 Шуруп с полупотайной под шлиц
      • DIN 96 Шуруп с полукруглой под шлиц
      • DIN 97 Шуруп с потайной под шлиц
      • Art. 9063 Шуруп для рояльных петель
      • Art. 9079 Шуруп с петлей
      • Art. 9084 Шуруп Г-образный
    Болты
    • Болты шестигранные
      Болты шестигранные
      • DIN 931 Болт шестигранный с неполной резьбой
      • DIN 933 Болт шестигранный с полной резьбой
      • ISO 4014 Болт шестигранный с неполной резьбой
      • ISO 4017 Болт шестигранный с полной резьбой
    • Болты с мелким шагом резьбы
      Болты с мелким шагом резьбы
      • DIN 961 Болт с мелким шагом резьбы
    • Болты с фланцем
      Болты с фланцем
      • DIN 6921 Болт шестигранный с фланцем
    • Болты с квадратной головой
      Болты с квадратной головой
      • Art. 9038 Болт с квадратной головой
    • Болты мебельные
      Болты мебельные
      • DIN 603 Болт мебельный с полукруглой головкой
    • Болт норийный
      Болт норийный
    • Болты с Т-образной головой
      Болты с Т-образной головой
      • Art. 9019 Болт с Т-образной головкой для профиля 41/41
      • Art. 9094 Болт с Т-образной головкой для профиля 50/30
      • Art. 9095 Болт с Т-образной головкой для профиля 40/22
      • Art. 9096 Болт с Т-образной головкой для профиля 38/17
      • Art. 9097 Болт с Т-образной головкой для профиля 28/15
      • Art. 9197 Болт с Т-образной головкой для профиля 20/12
      • Art. 9595 Болт с Т-образной головкой для профиля 41/22
    • Рым-болты
      Рым-болты
      • DIN 580 Рым-болт кованный
      • Art. 580 Рым-болт литой
    • Болты штырьевые
      Болты штырьевые
      • Art. 9099 Болт с Т-образной и EPDM вставкой
      • Art. 9099 Болт с Т-образной и шариковой пружиной
    • Болт откидной
      Болт откидной
    Винты
    • Винты метрические
      Винты метрические
      • ISO 4762 Винт с циллиндрической головкой под вн. Шестигр.
      • ISO 10642 Винт с потайной головкой под вн.шестигр.
      • DIN 965 Винт с потайной головкой под крест
      • DIN 7984 Винт с циллиндрической низкой головкой
      • DIN 7985 Винт с полукруглой головкой под крест
      • DIN 84 Винт с циллиндрической головкой под шлиц
      • ISO 7380 Винт с полукруглой головкой под вн.шестигр.
      • NF E 25-129 Винт мебельный под крест
      • NF E 27-128 Винт мебельный под шлиц
      • DIN 404 Винт пломбировочный
      • DIN 427 Штифт резьбовой
      • DIN 464 Винт накатной
      • DIN 465 Винт накатной со шлицем
      • DIN 653 Винт накатной низкий
      • DIN 6912 Винт с низкой циллиндричческой головкой
      • DIN 85 Винт с циллиндрической скругленной головкой
      • DIN 920 Винт с циллиндрической плоской головкой
      • DIN 921 Винт с плоской увеличенной головкой
      • DIN 923 Винт ступенчатый с плоской увеличенной головкой
      • DIN 963 Винт потайной со шлицем
      • DIN 964 Винт с полупотайной головкой со шлицем
      • DIN 966 Винт с полупотайной головкой под крест
      • DIN 912 Винт с циллиндрической головкой TX.
      • DIN 7984 Винт с циллиндрической низкой головкой TX
      • DIN 965 Винт с потайной головкой TX
      • DIN 7985 Винт с полукруглой головкой TX
      • DIN 964 Винт с полупотайной головкой TX
      • Art. 9020 Винт с увеличенной головкой как iso7380
      • Art. 9078 Винт с петлей
      • Art. 9081 Винт с крюком
      • Art. 9155 Винт антивандальный с отрывной головкой
      • DIN 316 Винт барашковый немецкий тип
      • Art. 315 Винт барашковый американский тип
      • +  ЕЩЕ
    • Винты установочные
      Винты установочные
      • DIN 417 Винт установочный(гужон)
      • DIN 428 Винт установочный(гужон)
      • DIN 551 Винт установочный(гужон) с тупым концом
      • DIN 553 Винт установочный(гужон) с отстрым концом
      • ISO 4026 Винт установочный(гужон) с тупым концом
      • ISO 4027 Винт установочный(гужон) с острым концом
      • ISO 4028 Винт установочный(гужон)
      • ISO 4029 Винт установочный(гужон)
    • Антивандальный крепёж
      Антивандальный крепёж
      • Art. 9100 Саморез антивандальный полугруглый с 2 отв.
      • Art. 9101 Винт антивандальный полугруглый с 2 отв.
      • Art. 9100 Саморез антивандальный потайной с 2 отв.
      • Art. 9103 Винт антивандальный потаной с 2 отв.
      • Art. 9104 Саморез антивандальный полупотайной с 2 отв.
      • Art. 9105 Винт антивандальный полупотаной с 2 отв.
      • Art. 9109 Бита антивандальная 2 отв.
      • Art. 9110 Саморез антивандальный полугруглый HEX-PIN.
      • Art. 9111 Винт антивандальный полугруглы HEX-PIN
      • Art. 9112 Саморез антивандальный потаной HEX-PIN
      • Art. 9113 Винт антивандальный потайной HEX-PIN
      • Art. 9118 Ключ для антивандальных винтов HEX-PIN
      • Art. 9119 Бита для антивандальных винтов HEX-PIN
      • Art. 9120 Саморез антивандальный полугруглый ТХ-PIN.
      • Art. 9111 Винт антивандальный полугруглы ТХ-PIN
      • Art. 9122 Саморез антивандальный потаной ТХ-PIN
      • Art. 9123 Винт антивандальный потайной ТХ-PIN
      • Art. 9128 Ключ для антивандальных винтов ТХ-PIN
      • Art. 9119 Бита для антивандальных винтов ТХ-PIN
      • Art. 9130 Саморез антивандальный полугруглый ONE-WAY
      • Art. 9131 Винт антивандальный полугруглы ONE-WAY
      • Art. 9132 Саморез антивандальный полупотаной ONE-WAY
      • Art. 9139 Отвертка для антивандальных винтов ONE-WAY
      • Art. 9140 Винт антивандальный полугруглый + заглушка
      • Art. 9141 Винт антивандальный потайной + заглушка
      • Art. 9145 Заглушка антивандальная
      • +  ЕЩЕ
    • Винты резьбовыдавливающие
      Винты резьбовыдавливающие
      • DIN 7500C Винт резбовыдавливающий полукруглый
      • DIN 7500М Винт резбовыдавливающий потайной
    • Пробки резьбовые
      Пробки резьбовые
      • DIN 906 Пробка с конической резьбой и вн.6-гр.
      • DIN 908 Пробка резьбовая с фланцем под вн.6-гр.
      • DIN 910 Пробка резьбовая с фланцем шестигранная
    Шпильки
    • Шпилька резьбовая
      Шпилька резьбовая
      • DIN 976 Шпилька с полной резьбой 1м, 2м, 3м
      • DIN 976 Шпилька резьбовая с левой резьбой
      • DIN 976 B Шпилька резьбовая
    • Шпильки ввинчиваемые
      Шпильки ввинчиваемые
      • DIN 835 Шпилька с ввинчиваемым концом 2d
      • DIN 938 Шпилька с ввинчиваемым концом 1d
      • DIN 939 Шпилька с ввинчиваемым концом 1,25d
    • Шпильки приварные
      Шпильки приварные
      • ISO 13918 Шпилька приварная
    • Шпильки сантехнические
      Шпильки сантехнические
      • Art. 9082 Шпилька сантехническая
      • Art. 9182 Шпилька для монтажа солнечных батарей
    Гайки
    • Гайки с мелким шагом резьбы
      Гайки с мелким шагом резьбы
    • Гайки шестигранные
      Гайки шестигранные
      • ISO10511 Гайка шестигранная самоконтрящаяся низкая
      • DIN 934 Гайка шестигранная
      • DIN 439 Гайка шестигранная низкая
      • DIN 6330 (Шестигранная высокая гайка тип B)
      • DIN 6331 Гайка шестигранная высокая с фланцем
      • DIN 6334 Гайка соединительная высота=3xd
      • DIN 6923 Гайка шестигранная с фланцем
      • DIN 6926 Гайка шестигранная самоконтрящаяся с фланцем
      • DIN 929 Гайка шестигранная приварная
      • DIN 935 Гайка шестигранная корончатая
      • DIN 936 Гайка шестигранная низкая
      • DIN 937 Гайка шестигранная корончатая низкая
      • DIN 979 Гайка шестигранная щелевая низкая
      • ISO 4032 Гайка шестигранная
      • ISO 4035 Гайка шестигранная низкая
      • ISO 8675 Гайка низкая с мелким шагом резьбы
      • Art. 9085 (Двухсоставная с шайбой-фланцем)
      • Art. 980 Гайка шестигранная самостопорящаяся
      • UNI 5587 Гайка шестигранная высокая, высота=d
      • DIN 985 Гайка шестигранная самоконтрящаяся низкая
      • DIN 917 Гайка колпачковая низкая
      • DIN 982 Гайка шестигранная самоконтрящаяся высокая
      • DIN 1587 Гайка колпачковая шестигранная высокая
      • DIN 986 Гайка колпачковая самоконтрящаяся высокая
      • +  ЕЩЕ
    • Гайки квадратные
      Гайки квадратные
      • DIN 557 Гайка квадратная с фаской
      • DIN 562 Гайка квадратная низкая
      • DIN 928 Гайка квадратная приварная
    • Втулки резьбовые
      Втулки резьбовые
      • Art. 7965 Муфта мебельная резьбовая
      • Art. 9070 Втулка круглая резьбовая
      • Art. 9071 Муфта соединительная шестигранная с резьбой
    • Рым-гайки
      Рым-гайки
      • DIN 582 Рым-гайка кованная
      • Art. 582 Рым-гайка литая
    • Гайка забивная
      Гайка забивная
      • Art. 9260 Гайка забивная мебельная
    • Гайки барашковые
      Гайки барашковые
      • DIN 315 Гайка барашковая, немецкий тип
      • Art. 315 Гайка барашковая, американский тип
    • Гайки запресовочные
      Гайки запресовочные
      • Art. 9064 Гайка запрессовываемая
    • Гайки с накаткой
      Гайки с накаткой
      • DIN 466 Гайка накатная, высокий тип
      • DIN 467 Гайка накатная, низкий тип
    • Гайки трубные
      Гайки трубные
      • DIN 431 Гайка трубная
    • Гайки приварные
      Гайки приварные
      • Art. 9060 Гайка приварная с фланцем
    • Гайки скользящие
      Гайки скользящие
      • Art. 9199 Гайка скользящая
      • Art. 9199 Гайка скользящая с фиксатором
    • Гайки стопорные пружинные
      Гайки стопорные пружинные
      • DIN 7967 Гайка стопорная пружинная
    • Втулки самонарезающие
      Втулки самонарезающие
      • Art. 9058 Резьбовая вставка
    • Гайки мебельные
      Гайки мебельные
      • Art. 9262 гайка мебельная
      • Art. 9061 Гайка мебельная стяжная
      • Art. 9062 Гайка мебельная стяжная
    • Гайки круглые шлицевые
      Гайки круглые шлицевые
      • DIN 546 Гайка круглая шлицевая
    • Гайки с внутренним шестигранником
      Гайки с внутренним шестигранником
      • Art. 9022 Гайка с внутренним шестигранником
    • Гайки рычажковые
      Гайки рычажковые
      • DIN 80701 Гайка рычажковая
    • Гайки швартовные с кольцом
      Гайки швартовные с кольцом
      • DIN 80704 Гайка швартовая с кольцом
    • Гайки отрывные
      Гайки отрывные
      • Art. 9150 Гайка отрывная
    • Гайки клетевые закладные
      Гайки клетевые закладные
      • Art. 9039 Гайка клетевая
    • Гайки Т-образные
      Гайки Т-образные
      • Art. 9023 Гайка Т-образная
    Шайбы
    • Шайбы плоские
      Шайбы плоские
      • ISO 7092 Шайба плоская уменьшенная
      • DIN 125 Шайба плоская без фаски
      • DIN 9021 Шайба плоская увеличенная D=3d
      • DIN 436 Шайба квадратная
      • DIN 433 Шайба плоская уменьшенная
      • DIN 1052 Шайба плоская увеличенная для деревянных контр.
      • DIN 1440 Шайбы для пальцев, чистовая обработка средняя
      • DIN 1441 Шайбы для пальцев, чистовая обработка грубая
      • DIN 440 Шайба мебельная
      • DIN 7989 Шайба плоская усиленная
      • ISO 7089 Шайба плоская без фаски
      • ISO 7090 Шайба плоская c фаской
      • ISO 7093 Шайба плоская увеличенная D=3d
      • +  ЕЩЕ
    • Шайбы пружинные
      Шайбы пружинные
      • DIN 127 Шайба пружинная(гровер) с притупленными концами
      • DIN 128 Шайба пружинная(гровер) с отогнутыми концами
      • DIN 7980 Шайба пружинная(гровер) для циллиндрических винтов
    • Шайбы-розетки
      Шайбы-розетки
      • NF E 27-619 Шайба-розетка полнотелая
      • NF E 27-619 Шайба-розетка штампованная
    • Шайбы с ЕPDM уплотнением
      Шайбы с ЕPDM уплотнением
      • Art. 9055 Шайбы с ЕPDM уплотнением
    • Шайбы зубчатые
      Шайбы зубчатые
      • DIN 6798 Шайба зубчатая стопорная пружинная
      • DIN 6797 Шайба зубчатая стопорная пружинная
    • Шайбы стопорные лапчатые
      Шайбы стопорные лапчатые
      • DIN 432 Шайба стопорная с наружной лапой
      • DIN 463 Шайба стопорная с 1 лапами
      • DIN 93 Шайба стопорная с 1 лапой
    • Шайбы пружинные конические
      Шайбы пружинные конические
      • DIN 6796 Шайба тарельчатая пружинная
    • Шайбы регулировочные
      Шайбы регулировочные
      • DIN 988 Шайба регулировочная
    • Шайбы пружинные изогнутые
      Шайбы пружинные изогнутые
      • DIN 137 Шайба пружинная изогнутая
    • Шайбы косые квадратные
      Шайбы косые квадратные
      • DIN 434 Шайба квадратная косая
      • DIN 435 Шайба квадратная косая
    • Шайбы AFNOR
      Шайбы AFNOR
      • NF E 25-513 Шайба стопорная пружинная
      • NF E 25-511 Шайба стопорная пружинная с насечками
      • NF E 25-514 Шайба стопорная пружинная с насечками
    • Шайбы плоские усиленные
      Шайбы плоские усиленные
      • DIN 7349 Шайба для пружинных штифтов по DIN 1481
    • Шайбы увеличенные
      Шайбы увеличенные
      • Art. 9054 Шайба плоская увеличенная
    • Шайбы защитные
      Шайбы защитные
      • Art. 9093 Шайба стопорная формы S
      • Art. 9093 Шайба стопорная формы S типа Schnorr
      • Art. 9210 Шайба клиновая, стандартная
      • Art. 9211 Шайба клиновая, увеличенная
      • Art. 9215 Шайба клиновая зубчатая изогнутая
      • Art. 9217 Шайба зубчатая коническая изогнутая, тип М
      • Art. 9219 Шайба зубчатая коническая изогнутая, тип S
      • Art. 9221 Шайба зубчатая коническая изогнутая, тип L
    • Шайбы тарельчатые
      Шайбы тарельчатые
      • DIN 6319 Шайбы сферические
      • DIN 2093 Шайба тарельчатая пружинная
    Заклёпки
    • Заклёпки вытяжные
      Заклёпки вытяжные
      • ISO 15983 Заклёпка вытяжная со стандартным бортиком
      • ISO 15984 Заклёпка вытяжная с потайным бортиком
      • ISO 16585 Заклёпка вытяжная закрытая(глухая)
      • ISO 15983 Заклёпка вытяжная с увеличенным бортиком
    • Заклёпки под молоток
      Заклёпки под молоток
      • DIN 660 Заклёпка под молоток с полукруглой головкой
      • DIN 661 Заклёпка под молоток с потайной головкой
    • Заклёпки резьбовые
      Заклёпки резьбовые
      • Art. 1022 Резьбовая заклёпка с уменьшенным потайным бортиком закрытая
      • Art. 1024 Резьбовая заклёпка с потайным бортиком закрытая
      • Art. 1026 Резьбовая заклёпка с увеличенным цилиндрическим бортиком закрытая
      • Art. 1028 Резьбовая заклёпка шестигранные с уменьшенным потайным бортиком закрытая
      • Art. 1030 Резьбовая заклёпка шестигранная с увеличенным цилиндрическим бортиком закрытая
      • Art. 1021 Резьбовая заклёпка с уменьшенным потайным бортиком
      • Art. 1023 Резьбовая заклёпка с потайным бортиком
      • Art. 1025 Резьбовая заклёпка с увеличенным цилиндрическим бортиком
      • Art. 1027 Резьбовая заклёпка шестигранные с уменьшенным потайным бортиком
      • Art. 1029 Резьбовая заклёпка шестигранная с увеличенным цилиндрическим бортиком
    Цепи,тросы,такелаж
    • Цепи
      Цепи
      • DIN 763 Цепь длиннозвенная
      • DIN 766 Цепь короткозвенная
      • DIN 5686 Цепь с двойной петлёй
    • Аксессуары
      Аксессуары
      • Art.9610 Талреп кольцо-кольцо
      • Art.9611 Талреп крюк-крюк
      • Art.9612 Талреп крюк-кольцо
      • Art.9620 Коуш для троса
      • Art.9625 Зажим троса
      • Art.9626 Зажим троса двойной
      • Art.9635 Карабин
      • Art. 9640 Такелажная скоба
      • Art. 9641 Такелажная скоба omega
      • Art. 8254 Вертлюг кольцо-кольцо
      • Art. 8255 Вертлюг кольцо-вилка
      • Art. 8256 Вертлюг вилка-вилка
      • Art. 8259 Такелажная скобы длинная
      • Art. 8260 Такелажная скоба OMEGA
      • Art. 9645 Карабин винтовой
      • +  ЕЩЕ
    • Тросы
      Тросы
      • Art. 8378 Трос жесткий ,свивка 1х19
      • Art. 8379 Трос средней жесткости, свивка 7х7
      • Art. 8381 Трос средней жесткости, свивка 7х7 в ПВХ
      • Art. 8382 Трос мягкий ,свивка 7х19
    Другое
    • Анкера
      Анкера
      • Art. 9001 Анкер болт шестигранный
      • Art. 9004 Анкер клиновой А4
      • Art. 9362 Анкер клиновой А2
      • Анкер забивной
      • Дюбель-гвоздь
      • Анкер химический
    • Штифты
      Штифты
      • DIN 6325D 5x10 Штифт циллиндрический с отв.
      • DIN 6325
      • DIN 1475 Штифт с насечкой по центру
      • ISO 8733 Штифт циллиндрический с внут. резьбой
      • DIN 7 Штифт циллиндрический
      • DIN 1476 Штифт с насечкой
      • DIN 1471 Штифт с насечкой
      • DIN 1472 Штифт с насечкой
      • DIN 1473 Штифт с насечкой
      • DIN 1474 Штифт с насечкой
      • ISO 8750 Штифт пружинный с прорезью
      • ISO 8752 Штифт пружинный с прорезью
      • DIN 1 Штифт конический
      • +  ЕЩЕ
    • Клипсы
      Клипсы
    • Хомуты
      Хомуты
      • КТР Хомут сантехнический КТР
      • Хомут силовой
      • DIN 3017 Хомут червячный
    • Гвозди
      Гвозди
      • Art. 415 гладкий с полукруглой
      • Art. 129 Гвоздь из нержавеющей стали крашеный
      • Art. 441 Гвоздь ершеный
      • Art. 417 Гвоздь гладкий c плоской
    • Стопорные кольца
      Стопорные кольца
      • DIN 471 Стопорное кольцо наружнее
      • DIN 472 Стопорное кольцо внутреннее
      • DIN 6799 Шайба упорная быстросъемная
    • Шплинты
      Шплинты
      • Art. 9660 Шплинт пружинный
      • DIN 94 Шплинт
    • Шпонки
      Шпонки
      • DIN 6885 Шпонка призматическая
    • Крюки с резьбой по дереву
      Крюки с резьбой по дереву
      • Art. 9080 Шуруп с крюком
    • Шплинты с кольцом
      Шплинты с кольцом
      • DIN 11024 Шплинт пружинный
    • EPDM-уплотнение
      EPDM-уплотнение
    • Петли
      Петли
      • Art. 8233 Петля шарнирная
      • Art. 8514 Петля шарнирная усиленная
    • Монтажные пластины
      Монтажные пластины
      • Art. 9035 Монтажная пластина
    • Регулировочные кольца
      Регулировочные кольца
      • DIN 705 Кольцо установочное
    • Скобы
      Скобы
      • DIN 3570 Болт-скоба U-образная М10
      • Art. 3570 Болт-скоба U-образная М8
      • Art. 3575 Болт-скоба прямоугольная
      • Art. 8230 Болт-скоба U-образная с гайками и шайбами
    • Крепления
      Крепления
      • Art. 9036 Соединитель
    • Шарики
      Шарики
      • DIN 5401 Шарик антивандальный
    • Кровельные крюки
      Кровельные крюки
      • Art. 9033 Кровельный крюк
      • Art. 9034 Кровельный крюк регулируемый
    • Колпачки алюминиевые
      Колпачки алюминиевые
      • Art. 9183 Колпачек алюминиевый
    • Звездочки
      Звездочки
      • Art. 9156 Заглушка антивандальная под звездочку
    • Резьбовые пластины
      Резьбовые пластины
      • Art. 9297 Резьбовая пластина
    • Инструменты
      Инструменты
      • Art. 217810 Ответрка магнитная для бит
    • Фланцы
      Фланцы
    • Защёлки рычажные
      Защёлки рычажные
    +  ЕЩЕ
      ph2.by Нержавеющий крепеж
      Телефоны
      +375 (29) 661-10-85A1
      Заказать звонок
      • Каталог
        • Назад
        • Каталог
        • Саморезы
          • Назад
          • Саморезы
          • Саморезы по металлу
            • Назад
            • Саморезы по металлу
            • DIN 7981 Саморез с полукруглой головкой PH
            • DIN 7982 Саморез с потайной головкой PH
            • DIN 7976 Саморез с шестигранной головкой
            • ISO 14585 Саморез с полукруглой ТХ
            • ISO 14586 Саморез с потайной ТХ
            • Art. 9051 Саморез с головкой DIN 912
            • Art. 0605 Саморез с полукруглой низкой ТХ
            • Art. 1506 Саморез с потайной низкой ТХ
            • Art. 9999 Саморез с прессшайбой остроконечный
            • DIN 7981F Саморез с полукруглой тупоконечный
            • DIN 7982F Саморез с потайной тупоконечный
            • DIN 7983 Саморез с полупотойной PH
            • DIN 7971 Саморез с полукруглой со шлицем
            • DIN 7972 Саморез с потайной со шлицем
            • DIN 7973 Саморез с полупотайной со шлицем
            • DIN 7976 Саморез с шестигранной со шлицем
            • ISO 14587 Саморез с полупотайной ТХ
            • Art. 9065 Саморез с полукруглой головкой и подголовником
            • Art. 9066 Саморез с полиамидной шайбой
          • Саморез оконный по бетону
          • Саморезы по дереву
            • Назад
            • Саморезы по дереву
            • Art. 9242 Саморез террасный потайной и режущей кромкой
            • Art. 9050 Саморез с потайной головкой PZ
            • Art. 9042 Саморез потайной с режущей кромкой
            • Art. 9043 Саморез террасный полупотайной и режущей кромкой
            • Art. 9142 Саморез террасный потайной и режущей кромкой
            • Art. 9040 Саморез потайной со сверлом
            • Art. 9041 Саморез полупотайной со сверлом
            • Art. 9044 Саморез потайной со сверлом
            • Art. 9045 Саморез полукруглой остроконечный
            • Art. 9046 Саморез полупотайной остроконечный
            • Art. 9047 Саморез потайной остроконечный
            • Art. 9048 Саморез полукруглой остроконечный PZ
            • Art. 9049 Саморез полупотайной головкой PZ
            • Art. 9143 Саморез террасный потайной и режущей кромкой
            • Art. 9241 Саморез террасный потайной со сверлом, С1
            • Art. 9241 Саморез террасный потайной и режущей кромкой
            • Art. 9243 Саморез террасный с циллиндрической головкой остроконечный
            • Art. 9244 Саморез потайной со сверлом, С1
            • Art. 9245 Саморез террасный с цилиндрической головкой и режущей кромкой, С1
            • Art. 9246 Саморез потайной со сверлом, С1
            • Art. 9086 Саморез с увеличенной низкой полукруглой
            • Art. 9147 Саморез потайной остроконечный
            • Art. 9250 Саморез полукруглой и с фланцем и режущей кромкой
          • Саморезы со сверлом
            • Назад
            • Саморезы со сверлом
            • DIN 7504 K Саморез кровельный
            • DIN 7504 M Саморез со сверлом и полукруглой головкой
            • DIN 7504 O Саморез со сверлом потайной
            • ISO 15480 Саморез кровельный AISI410
            • Art. 9998 Саморез с прессшайбой и сверлом
            • Art. 9504 Саморез шестигранный биметаллический со сверлом
            • Art. 9505 Саморез шестигранный биметаллический остроконечный
            • Art. 9510 Саморез потайной биметаллический со сверлом
            • Art. 9520 Саморез для фиброцементных листов
            • Art. 9604 Саморез шестигранный со сверлом и ЕПДМ
            • ONS Саморез для сэндвичпанелей
          • Саморезы фасадные
            • Назад
            • Саморезы фасадные
            • Art. 9057 Саморез шестигранный EPDM 16mm
            • Art. 9059 Саморез шестигранный EPDM 19mm
            • Art. 9067 Саморез полупотайной PZ, EPDM 15mm
            • Art. 9068 Саморез полупотайной PZ, EPDM 20mm
            • Art. 9069 Саморез полупотайной PZ, EPDM 25mm
            • Art. 9087 Саморез полупотайной TX, EPDM 15mm
            • Art. 9088 Саморез полупотайной TX, EPDM 20mm
            • Art. 9089 Саморез полупотайной TX, EPDM 25mm
            • Art. 9092 Саморез для облицовки термопластами
            • Art. 9098 Саморез шестигранный EPDM 22mm
            • Art. 9167 Саморез по дереву потайной PZ с EPDM 15mm
            • Art. 9168 Саморез по дереву потайной PZ с EPDM 20mm
            • Art. 9169 Саморез по дереву потайной PZ с EPDM 25mm
            • Art. 9087 Саморез полупотайной TX, EPDM 15mm, 100шт
            • Art. 9087 Саморез полупотайной TX25, EPDM 15mm
            • Art. 9088 Саморез полупотайной TX25, EPDM 20mm
            • Art. 9387 Саморез полупотайной TX20, сверлом и EPDM 15mm
            • Art. 9388 Саморез полупотайной TX20, сверлом и EPDM 20mm
          • Саморезы для плаcтика
            • Назад
            • Саморезы для плаcтика
            • Art. 9090 Саморез для пластика потайной
            • Art. 9091 Саморез для пластика полукруглый
          • Шурупы
            • Назад
            • Шурупы
            • DIN 571 Шуруп глухарь
            • DIN 7995 Шуруп с полупотайной PZ
            • DIN 7996 Шуруп с полукруглой PZ
            • DIN 7997 Шуруп с потайной PZ
            • DIN 95 Шуруп с полупотайной под шлиц
            • DIN 96 Шуруп с полукруглой под шлиц
            • DIN 97 Шуруп с потайной под шлиц
            • Art. 9063 Шуруп для рояльных петель
            • Art. 9079 Шуруп с петлей
            • Art. 9084 Шуруп Г-образный
        • Болты
          • Назад
          • Болты
          • Болты шестигранные
            • Назад
            • Болты шестигранные
            • DIN 931 Болт шестигранный с неполной резьбой
            • DIN 933 Болт шестигранный с полной резьбой
            • ISO 4014 Болт шестигранный с неполной резьбой
            • ISO 4017 Болт шестигранный с полной резьбой
          • Болты с мелким шагом резьбы
            • Назад
            • Болты с мелким шагом резьбы
            • DIN 961 Болт с мелким шагом резьбы
          • Болты с фланцем
            • Назад
            • Болты с фланцем
            • DIN 6921 Болт шестигранный с фланцем
          • Болты с квадратной головой
            • Назад
            • Болты с квадратной головой
            • Art. 9038 Болт с квадратной головой
          • Болты мебельные
            • Назад
            • Болты мебельные
            • DIN 603 Болт мебельный с полукруглой головкой
          • Болт норийный
          • Болты с Т-образной головой
            • Назад
            • Болты с Т-образной головой
            • Art. 9019 Болт с Т-образной головкой для профиля 41/41
            • Art. 9094 Болт с Т-образной головкой для профиля 50/30
            • Art. 9095 Болт с Т-образной головкой для профиля 40/22
            • Art. 9096 Болт с Т-образной головкой для профиля 38/17
            • Art. 9097 Болт с Т-образной головкой для профиля 28/15
            • Art. 9197 Болт с Т-образной головкой для профиля 20/12
            • Art. 9595 Болт с Т-образной головкой для профиля 41/22
          • Рым-болты
            • Назад
            • Рым-болты
            • DIN 580 Рым-болт кованный
            • Art. 580 Рым-болт литой
          • Болты штырьевые
            • Назад
            • Болты штырьевые
            • Art. 9099 Болт с Т-образной и EPDM вставкой
            • Art. 9099 Болт с Т-образной и шариковой пружиной
          • Болт откидной
        • Винты
          • Назад
          • Винты
          • Винты метрические
            • Назад
            • Винты метрические
            • ISO 4762 Винт с циллиндрической головкой под вн. Шестигр.
            • ISO 10642 Винт с потайной головкой под вн.шестигр.
            • DIN 965 Винт с потайной головкой под крест
            • DIN 7984 Винт с циллиндрической низкой головкой
            • DIN 7985 Винт с полукруглой головкой под крест
            • DIN 84 Винт с циллиндрической головкой под шлиц
            • ISO 7380 Винт с полукруглой головкой под вн.шестигр.
            • NF E 25-129 Винт мебельный под крест
            • NF E 27-128 Винт мебельный под шлиц
            • DIN 404 Винт пломбировочный
            • DIN 427 Штифт резьбовой
            • DIN 464 Винт накатной
            • DIN 465 Винт накатной со шлицем
            • DIN 653 Винт накатной низкий
            • DIN 6912 Винт с низкой циллиндричческой головкой
            • DIN 85 Винт с циллиндрической скругленной головкой
            • DIN 920 Винт с циллиндрической плоской головкой
            • DIN 921 Винт с плоской увеличенной головкой
            • DIN 923 Винт ступенчатый с плоской увеличенной головкой
            • DIN 963 Винт потайной со шлицем
            • DIN 964 Винт с полупотайной головкой со шлицем
            • DIN 966 Винт с полупотайной головкой под крест
            • DIN 912 Винт с циллиндрической головкой TX.
            • DIN 7984 Винт с циллиндрической низкой головкой TX
            • DIN 965 Винт с потайной головкой TX
            • DIN 7985 Винт с полукруглой головкой TX
            • DIN 964 Винт с полупотайной головкой TX
            • Art. 9020 Винт с увеличенной головкой как iso7380
            • Art. 9078 Винт с петлей
            • Art. 9081 Винт с крюком
            • Art. 9155 Винт антивандальный с отрывной головкой
            • DIN 316 Винт барашковый немецкий тип
            • Art. 315 Винт барашковый американский тип
          • Винты установочные
            • Назад
            • Винты установочные
            • DIN 417 Винт установочный(гужон)
            • DIN 428 Винт установочный(гужон)
            • DIN 551 Винт установочный(гужон) с тупым концом
            • DIN 553 Винт установочный(гужон) с отстрым концом
            • ISO 4026 Винт установочный(гужон) с тупым концом
            • ISO 4027 Винт установочный(гужон) с острым концом
            • ISO 4028 Винт установочный(гужон)
            • ISO 4029 Винт установочный(гужон)
          • Антивандальный крепёж
            • Назад
            • Антивандальный крепёж
            • Art. 9100 Саморез антивандальный полугруглый с 2 отв.
            • Art. 9101 Винт антивандальный полугруглый с 2 отв.
            • Art. 9100 Саморез антивандальный потайной с 2 отв.
            • Art. 9103 Винт антивандальный потаной с 2 отв.
            • Art. 9104 Саморез антивандальный полупотайной с 2 отв.
            • Art. 9105 Винт антивандальный полупотаной с 2 отв.
            • Art. 9109 Бита антивандальная 2 отв.
            • Art. 9110 Саморез антивандальный полугруглый HEX-PIN.
            • Art. 9111 Винт антивандальный полугруглы HEX-PIN
            • Art. 9112 Саморез антивандальный потаной HEX-PIN
            • Art. 9113 Винт антивандальный потайной HEX-PIN
            • Art. 9118 Ключ для антивандальных винтов HEX-PIN
            • Art. 9119 Бита для антивандальных винтов HEX-PIN
            • Art. 9120 Саморез антивандальный полугруглый ТХ-PIN.
            • Art. 9111 Винт антивандальный полугруглы ТХ-PIN
            • Art. 9122 Саморез антивандальный потаной ТХ-PIN
            • Art. 9123 Винт антивандальный потайной ТХ-PIN
            • Art. 9128 Ключ для антивандальных винтов ТХ-PIN
            • Art. 9119 Бита для антивандальных винтов ТХ-PIN
            • Art. 9130 Саморез антивандальный полугруглый ONE-WAY
            • Art. 9131 Винт антивандальный полугруглы ONE-WAY
            • Art. 9132 Саморез антивандальный полупотаной ONE-WAY
            • Art. 9139 Отвертка для антивандальных винтов ONE-WAY
            • Art. 9140 Винт антивандальный полугруглый + заглушка
            • Art. 9141 Винт антивандальный потайной + заглушка
            • Art. 9145 Заглушка антивандальная
          • Винты резьбовыдавливающие
            • Назад
            • Винты резьбовыдавливающие
            • DIN 7500C Винт резбовыдавливающий полукруглый
            • DIN 7500М Винт резбовыдавливающий потайной
          • Пробки резьбовые
            • Назад
            • Пробки резьбовые
            • DIN 906 Пробка с конической резьбой и вн.6-гр.
            • DIN 908 Пробка резьбовая с фланцем под вн.6-гр.
            • DIN 910 Пробка резьбовая с фланцем шестигранная
        • Шпильки
          • Назад
          • Шпильки
          • Шпилька резьбовая
            • Назад
            • Шпилька резьбовая
            • DIN 976 Шпилька с полной резьбой 1м, 2м, 3м
            • DIN 976 Шпилька резьбовая с левой резьбой
            • DIN 976 B Шпилька резьбовая
          • Шпильки ввинчиваемые
            • Назад
            • Шпильки ввинчиваемые
            • DIN 835 Шпилька с ввинчиваемым концом 2d
            • DIN 938 Шпилька с ввинчиваемым концом 1d
            • DIN 939 Шпилька с ввинчиваемым концом 1,25d
          • Шпильки приварные
            • Назад
            • Шпильки приварные
            • ISO 13918 Шпилька приварная
          • Шпильки сантехнические
            • Назад
            • Шпильки сантехнические
            • Art. 9082 Шпилька сантехническая
            • Art. 9182 Шпилька для монтажа солнечных батарей
        • Гайки
          • Назад
          • Гайки
          • Гайки с мелким шагом резьбы
          • Гайки шестигранные
            • Назад
            • Гайки шестигранные
            • ISO10511 Гайка шестигранная самоконтрящаяся низкая
            • DIN 934 Гайка шестигранная
            • DIN 439 Гайка шестигранная низкая
            • DIN 6330 (Шестигранная высокая гайка тип B)
            • DIN 6331 Гайка шестигранная высокая с фланцем
            • DIN 6334 Гайка соединительная высота=3xd
            • DIN 6923 Гайка шестигранная с фланцем
            • DIN 6926 Гайка шестигранная самоконтрящаяся с фланцем
            • DIN 929 Гайка шестигранная приварная
            • DIN 935 Гайка шестигранная корончатая
            • DIN 936 Гайка шестигранная низкая
            • DIN 937 Гайка шестигранная корончатая низкая
            • DIN 979 Гайка шестигранная щелевая низкая
            • ISO 4032 Гайка шестигранная
            • ISO 4035 Гайка шестигранная низкая
            • ISO 8675 Гайка низкая с мелким шагом резьбы
            • Art. 9085 (Двухсоставная с шайбой-фланцем)
            • Art. 980 Гайка шестигранная самостопорящаяся
            • UNI 5587 Гайка шестигранная высокая, высота=d
            • DIN 985 Гайка шестигранная самоконтрящаяся низкая
            • DIN 917 Гайка колпачковая низкая
            • DIN 982 Гайка шестигранная самоконтрящаяся высокая
            • DIN 1587 Гайка колпачковая шестигранная высокая
            • DIN 986 Гайка колпачковая самоконтрящаяся высокая
          • Гайки квадратные
            • Назад
            • Гайки квадратные
            • DIN 557 Гайка квадратная с фаской
            • DIN 562 Гайка квадратная низкая
            • DIN 928 Гайка квадратная приварная
          • Втулки резьбовые
            • Назад
            • Втулки резьбовые
            • Art. 7965 Муфта мебельная резьбовая
            • Art. 9070 Втулка круглая резьбовая
            • Art. 9071 Муфта соединительная шестигранная с резьбой
          • Рым-гайки
            • Назад
            • Рым-гайки
            • DIN 582 Рым-гайка кованная
            • Art. 582 Рым-гайка литая
          • Гайка забивная
            • Назад
            • Гайка забивная
            • Art. 9260 Гайка забивная мебельная
          • Гайки барашковые
            • Назад
            • Гайки барашковые
            • DIN 315 Гайка барашковая, немецкий тип
            • Art. 315 Гайка барашковая, американский тип
          • Гайки запресовочные
            • Назад
            • Гайки запресовочные
            • Art. 9064 Гайка запрессовываемая
          • Гайки с накаткой
            • Назад
            • Гайки с накаткой
            • DIN 466 Гайка накатная, высокий тип
            • DIN 467 Гайка накатная, низкий тип
          • Гайки трубные
            • Назад
            • Гайки трубные
            • DIN 431 Гайка трубная
          • Гайки приварные
            • Назад
            • Гайки приварные
            • Art. 9060 Гайка приварная с фланцем
          • Гайки скользящие
            • Назад
            • Гайки скользящие
            • Art. 9199 Гайка скользящая
            • Art. 9199 Гайка скользящая с фиксатором
          • Гайки стопорные пружинные
            • Назад
            • Гайки стопорные пружинные
            • DIN 7967 Гайка стопорная пружинная
          • Втулки самонарезающие
            • Назад
            • Втулки самонарезающие
            • Art. 9058 Резьбовая вставка
          • Гайки мебельные
            • Назад
            • Гайки мебельные
            • Art. 9262 гайка мебельная
            • Art. 9061 Гайка мебельная стяжная
            • Art. 9062 Гайка мебельная стяжная
          • Гайки круглые шлицевые
            • Назад
            • Гайки круглые шлицевые
            • DIN 546 Гайка круглая шлицевая
          • Гайки с внутренним шестигранником
            • Назад
            • Гайки с внутренним шестигранником
            • Art. 9022 Гайка с внутренним шестигранником
          • Гайки рычажковые
            • Назад
            • Гайки рычажковые
            • DIN 80701 Гайка рычажковая
          • Гайки швартовные с кольцом
            • Назад
            • Гайки швартовные с кольцом
            • DIN 80704 Гайка швартовая с кольцом
          • Гайки отрывные
            • Назад
            • Гайки отрывные
            • Art. 9150 Гайка отрывная
          • Гайки клетевые закладные
            • Назад
            • Гайки клетевые закладные
            • Art. 9039 Гайка клетевая
          • Гайки Т-образные
            • Назад
            • Гайки Т-образные
            • Art. 9023 Гайка Т-образная
        • Шайбы
          • Назад
          • Шайбы
          • Шайбы плоские
            • Назад
            • Шайбы плоские
            • ISO 7092 Шайба плоская уменьшенная
            • DIN 125 Шайба плоская без фаски
            • DIN 9021 Шайба плоская увеличенная D=3d
            • DIN 436 Шайба квадратная
            • DIN 433 Шайба плоская уменьшенная
            • DIN 1052 Шайба плоская увеличенная для деревянных контр.
            • DIN 1440 Шайбы для пальцев, чистовая обработка средняя
            • DIN 1441 Шайбы для пальцев, чистовая обработка грубая
            • DIN 440 Шайба мебельная
            • DIN 7989 Шайба плоская усиленная
            • ISO 7089 Шайба плоская без фаски
            • ISO 7090 Шайба плоская c фаской
            • ISO 7093 Шайба плоская увеличенная D=3d
          • Шайбы пружинные
            • Назад
            • Шайбы пружинные
            • DIN 127 Шайба пружинная(гровер) с притупленными концами
            • DIN 128 Шайба пружинная(гровер) с отогнутыми концами
            • DIN 7980 Шайба пружинная(гровер) для циллиндрических винтов
          • Шайбы-розетки
            • Назад
            • Шайбы-розетки
            • NF E 27-619 Шайба-розетка полнотелая
            • NF E 27-619 Шайба-розетка штампованная
          • Шайбы с ЕPDM уплотнением
            • Назад
            • Шайбы с ЕPDM уплотнением
            • Art. 9055 Шайбы с ЕPDM уплотнением
          • Шайбы зубчатые
            • Назад
            • Шайбы зубчатые
            • DIN 6798 Шайба зубчатая стопорная пружинная
            • DIN 6797 Шайба зубчатая стопорная пружинная
          • Шайбы стопорные лапчатые
            • Назад
            • Шайбы стопорные лапчатые
            • DIN 432 Шайба стопорная с наружной лапой
            • DIN 463 Шайба стопорная с 1 лапами
            • DIN 93 Шайба стопорная с 1 лапой
          • Шайбы пружинные конические
            • Назад
            • Шайбы пружинные конические
            • DIN 6796 Шайба тарельчатая пружинная
          • Шайбы регулировочные
            • Назад
            • Шайбы регулировочные
            • DIN 988 Шайба регулировочная
          • Шайбы пружинные изогнутые
            • Назад
            • Шайбы пружинные изогнутые
            • DIN 137 Шайба пружинная изогнутая
          • Шайбы косые квадратные
            • Назад
            • Шайбы косые квадратные
            • DIN 434 Шайба квадратная косая
            • DIN 435 Шайба квадратная косая
          • Шайбы AFNOR
            • Назад
            • Шайбы AFNOR
            • NF E 25-513 Шайба стопорная пружинная
            • NF E 25-511 Шайба стопорная пружинная с насечками
            • NF E 25-514 Шайба стопорная пружинная с насечками
          • Шайбы плоские усиленные
            • Назад
            • Шайбы плоские усиленные
            • DIN 7349 Шайба для пружинных штифтов по DIN 1481
          • Шайбы увеличенные
            • Назад
            • Шайбы увеличенные
            • Art. 9054 Шайба плоская увеличенная
          • Шайбы защитные
            • Назад
            • Шайбы защитные
            • Art. 9093 Шайба стопорная формы S
            • Art. 9093 Шайба стопорная формы S типа Schnorr
            • Art. 9210 Шайба клиновая, стандартная
            • Art. 9211 Шайба клиновая, увеличенная
            • Art. 9215 Шайба клиновая зубчатая изогнутая
            • Art. 9217 Шайба зубчатая коническая изогнутая, тип М
            • Art. 9219 Шайба зубчатая коническая изогнутая, тип S
            • Art. 9221 Шайба зубчатая коническая изогнутая, тип L
          • Шайбы тарельчатые
            • Назад
            • Шайбы тарельчатые
            • DIN 6319 Шайбы сферические
            • DIN 2093 Шайба тарельчатая пружинная
        • Заклёпки
          • Назад
          • Заклёпки
          • Заклёпки вытяжные
            • Назад
            • Заклёпки вытяжные
            • ISO 15983 Заклёпка вытяжная со стандартным бортиком
            • ISO 15984 Заклёпка вытяжная с потайным бортиком
            • ISO 16585 Заклёпка вытяжная закрытая(глухая)
            • ISO 15983 Заклёпка вытяжная с увеличенным бортиком
          • Заклёпки под молоток
            • Назад
            • Заклёпки под молоток
            • DIN 660 Заклёпка под молоток с полукруглой головкой
            • DIN 661 Заклёпка под молоток с потайной головкой
          • Заклёпки резьбовые
            • Назад
            • Заклёпки резьбовые
            • Art. 1022 Резьбовая заклёпка с уменьшенным потайным бортиком закрытая
            • Art. 1024 Резьбовая заклёпка с потайным бортиком закрытая
            • Art. 1026 Резьбовая заклёпка с увеличенным цилиндрическим бортиком закрытая
            • Art. 1028 Резьбовая заклёпка шестигранные с уменьшенным потайным бортиком закрытая
            • Art. 1030 Резьбовая заклёпка шестигранная с увеличенным цилиндрическим бортиком закрытая
            • Art. 1021 Резьбовая заклёпка с уменьшенным потайным бортиком
            • Art. 1023 Резьбовая заклёпка с потайным бортиком
            • Art. 1025 Резьбовая заклёпка с увеличенным цилиндрическим бортиком
            • Art. 1027 Резьбовая заклёпка шестигранные с уменьшенным потайным бортиком
            • Art. 1029 Резьбовая заклёпка шестигранная с увеличенным цилиндрическим бортиком
        • Цепи,тросы,такелаж
          • Назад
          • Цепи,тросы,такелаж
          • Цепи
            • Назад
            • Цепи
            • DIN 763 Цепь длиннозвенная
            • DIN 766 Цепь короткозвенная
            • DIN 5686 Цепь с двойной петлёй
          • Аксессуары
            • Назад
            • Аксессуары
            • Art.9610 Талреп кольцо-кольцо
            • Art.9611 Талреп крюк-крюк
            • Art.9612 Талреп крюк-кольцо
            • Art.9620 Коуш для троса
            • Art.9625 Зажим троса
            • Art.9626 Зажим троса двойной
            • Art.9635 Карабин
            • Art. 9640 Такелажная скоба
            • Art. 9641 Такелажная скоба omega
            • Art. 8254 Вертлюг кольцо-кольцо
            • Art. 8255 Вертлюг кольцо-вилка
            • Art. 8256 Вертлюг вилка-вилка
            • Art. 8259 Такелажная скобы длинная
            • Art. 8260 Такелажная скоба OMEGA
            • Art. 9645 Карабин винтовой
          • Тросы
            • Назад
            • Тросы
            • Art. 8378 Трос жесткий ,свивка 1х19
            • Art. 8379 Трос средней жесткости, свивка 7х7
            • Art. 8381 Трос средней жесткости, свивка 7х7 в ПВХ
            • Art. 8382 Трос мягкий ,свивка 7х19
        • Другое
          • Назад
          • Другое
          • Анкера
            • Назад
            • Анкера
            • Art. 9001 Анкер болт шестигранный
            • Art. 9004 Анкер клиновой А4
            • Art. 9362 Анкер клиновой А2
            • Анкер забивной
            • Дюбель-гвоздь
            • Анкер химический
          • Штифты
            • Назад
            • Штифты
            • DIN 6325D 5x10 Штифт циллиндрический с отв.
            • DIN 6325
            • DIN 1475 Штифт с насечкой по центру
            • ISO 8733 Штифт циллиндрический с внут. резьбой
            • DIN 7 Штифт циллиндрический
            • DIN 1476 Штифт с насечкой
            • DIN 1471 Штифт с насечкой
            • DIN 1472 Штифт с насечкой
            • DIN 1473 Штифт с насечкой
            • DIN 1474 Штифт с насечкой
            • ISO 8750 Штифт пружинный с прорезью
            • ISO 8752 Штифт пружинный с прорезью
            • DIN 1 Штифт конический
          • Клипсы
          • Хомуты
            • Назад
            • Хомуты
            • КТР Хомут сантехнический КТР
            • Хомут силовой
            • DIN 3017 Хомут червячный
          • Гвозди
            • Назад
            • Гвозди
            • Art. 415 гладкий с полукруглой
            • Art. 129 Гвоздь из нержавеющей стали крашеный
            • Art. 441 Гвоздь ершеный
            • Art. 417 Гвоздь гладкий c плоской
          • Стопорные кольца
            • Назад
            • Стопорные кольца
            • DIN 471 Стопорное кольцо наружнее
            • DIN 472 Стопорное кольцо внутреннее
            • DIN 6799 Шайба упорная быстросъемная
          • Шплинты
            • Назад
            • Шплинты
            • Art. 9660 Шплинт пружинный
            • DIN 94 Шплинт
          • Шпонки
            • Назад
            • Шпонки
            • DIN 6885 Шпонка призматическая
          • Крюки с резьбой по дереву
            • Назад
            • Крюки с резьбой по дереву
            • Art. 9080 Шуруп с крюком
          • Шплинты с кольцом
            • Назад
            • Шплинты с кольцом
            • DIN 11024 Шплинт пружинный
          • EPDM-уплотнение
          • Петли
            • Назад
            • Петли
            • Art. 8233 Петля шарнирная
            • Art. 8514 Петля шарнирная усиленная
          • Монтажные пластины
            • Назад
            • Монтажные пластины
            • Art. 9035 Монтажная пластина
          • Регулировочные кольца
            • Назад
            • Регулировочные кольца
            • DIN 705 Кольцо установочное
          • Скобы
            • Назад
            • Скобы
            • DIN 3570 Болт-скоба U-образная М10
            • Art. 3570 Болт-скоба U-образная М8
            • Art. 3575 Болт-скоба прямоугольная
            • Art. 8230 Болт-скоба U-образная с гайками и шайбами
          • Крепления
            • Назад
            • Крепления
            • Art. 9036 Соединитель
          • Шарики
            • Назад
            • Шарики
            • DIN 5401 Шарик антивандальный
          • Кровельные крюки
            • Назад
            • Кровельные крюки
            • Art. 9033 Кровельный крюк
            • Art. 9034 Кровельный крюк регулируемый
          • Колпачки алюминиевые
            • Назад
            • Колпачки алюминиевые
            • Art. 9183 Колпачек алюминиевый
          • Звездочки
            • Назад
            • Звездочки
            • Art. 9156 Заглушка антивандальная под звездочку
          • Резьбовые пластины
            • Назад
            • Резьбовые пластины
            • Art. 9297 Резьбовая пластина
          • Инструменты
            • Назад
            • Инструменты
            • Art. 217810 Ответрка магнитная для бит
          • Фланцы
          • Защёлки рычажные
      • Акции
      • Блог
      • Как купить
        • Назад
        • Как купить
        • Условия оплаты
        • Условия доставки
          • Назад
          • Условия доставки
          • Условия оплаты
          • Условия доставки
          • Как сделать заказ
      • Компания
        • Назад
        • Компания
        • О компании
        • Новости
        • Отзывы
        • Контакты
        • Вопросы и ответы
        • Сертификаты
      • Контакты
      • +375 (29) 661-10-85A1
      Контактная информация
      г. Минск, ул.Западная 13-318
      sales@ph2.by
      • Instagram
      • Telegram
      • Viber
      • Viber

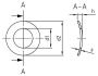
      DIN 137 A4 A 2,3

      Главная
      —
      Каталог
      —
      Нержавеющие шайбы
      —
      Нержавеющие шайбы пружинные изогнутые
      —
      Нержавеющие din 137 шайба пружинная изогнутая
      —DIN 137 A4 A 2,3
      DIN 137 A4 A 2,3
      картинка DIN 137 A4 A 2,3 от ЧТУП "Ю-Кэн"
      картинка DIN 137 A4 A 2,3 от ЧТУП "Ю-Кэн"
      картинка DIN 137 A4 A 2,3 от ЧТУП "Ю-Кэн"
      картинка DIN 137 A4 A 2,3 от ЧТУП "Ю-Кэн"
      картинка DIN 137 A4 A 2,3 от ЧТУП "Ю-Кэн"
      • Описание
      • Отзывы
      • Как купить
      • Оплата
      • Доставка
      Шайба пружинная изогнутая тип А. DIN 137 A4 A 2,3.
      Отзывы
      Нет оценок
      Оставить отзыв

      Способы оплаты

      Для юридических лиц

      Для получения счета оформите заказ через корзину либо вышлите заявку и реквизиты на электронный адрес u-can1@mail.ru. После произведенной оплаты вы можете забрать заказ со склада или запросить услугу доставки.

      Также можно оплатить заказ наличными или банковской картой (Visa, MasterCard, Белкарт) в нашем офисе, после чего вам будет выдан товарный чек.

      Для физических лиц

      Расчет можно произвести следующими способами:

      • наличными деньгами;
      • через систему расчета ЕРИП (в скором времени будет доступна);
      • безналичным путём(банковской картой) по средствам be paid.

      Компания ph2.by занимается реализацией нержавеющих крепежных элементов и стремится к тому, чтобы предоставить своим клиентам наиболее выгодные и удобные условия сотрудничества. Мы постоянно развиваемся и работаем над тем, чтобы усовершенствовать систему предоставляемых услуг. Мы работаем как с юридическими, так и с физическими лицами.

      Посетив наш офис, вы также сможете ознакомиться с обширным каталогом товаров и изучить продукцию «на ощупь». В случае необходимости можно подобрать и докупить необходимые крепежные элементы прямо на месте.

      Мы предлагаем своим клиентам качественные и надежные саморезы по металлу и дереву, винты, гайки, болты, шайбы, заклепки, тросы, цепи и прочие детали крепежа. Вся продукция отвечает нормам ГОСТа, так как прошла несколько этапов тщательной проверки на производстве, входной контроль качества немецкого партнера, а также испытания в РУП «Институт БЕЛНИИС», о чем свидетельствуют сертификаты качества.

      Мы с радостью ответим на ваши вопросы, а также поможем подобрать подходящие крепежные элементы и их размеры под конкретные задачи.

      Звоните нам, и мы обеспечим вас отличным крепежом европейского уровня!

      Возврат товара

      Вопросы возврата товаров, приобретенных в нашем интернет-магазине или офисах продаж, регулируются Законом Республики Беларусь от 09.01.2002 года (с изменениями и дополнениями) О защите прав потребителей.

      Покупатель вправе в течение 14-ти дней с момента передачи ему непродовольственного товара, возвратить товар надлежащего качества или обменять его на аналогичный товар других размера, формы, габарита, фасона, расцветки или комплектации, произведя в случае разницы в цене необходимый перерасчет с продавцом.

      Требование Покупателя об обмене либо возврате товара подлежит удовлетворению, если товар не был в употреблении, сохранены его потребительские свойства и имеются доказательства приобретения его в нашем интернет-магазине или офисе продаж. В случае обмена либо возврата товара Покупатель обязан возвратить товар в потребительской упаковке, если товар был продан в такой упаковке.

      Основные правила возврата товара

      1. Возврат и обмен товара осуществляется в часы работы офисов продаж и складов нашей компании.
      2. Доставка товара для его возврата и обмена на склад ph2.by осуществляется покупателем самостоятельно.
      3. Возврат товара надлежащего качества проводится после проверки товара не предмет его эксплуатации или потребления, сохранности его товарного вида и потребительских свойств.
      4. При установлении факта эксплуатации товара, и/или и наличии дефектов, не относящихся к скрытым производственным дефектам, наличии неполной комплектации или не в заводской упаковке, возврат и обмен товара не производится.
      5. Товары ненадлежащего качества покупатель вправе вернуть в течение гарантийного срока, а если гарантийный срок не установлен в течение срока годности, в том случае, если потребитель докажет, что недостатки товара возникли до его передачи потребителю или по причинам, возникшим до момента его передачи.
      6. Возврат и обмен товара с выявленным в процессе эксплуатации скрытым производственными дефектом (существенным недостатком) производится на основаниях и в сроки, предусмотренные законодательством Республики Беларусь и заводом-изготовителем товара. Продавец имеет право запросить для возврата и обмена товара документы, требуемые заводом-изготовителем, и провести экспертизу.

      Возврат средств при оплате банковской карточкой.

      Онлайн-оплата на сайте осуществляется через Системy электронных платежей. Безопасный сервер устанавливает шифрованное соединение по защищенному протоколу TLS и конфиденциально принимает от клиента данные его пластиковой банковской карты (номер карты, имя держателя, дату окончания действия, и контрольный номер банковской карточке CVC/CVC2).

      Если товар был оплачен банковской картой через сайт, то возврат осуществляется на карту, с которой была произведена оплата. Срок поступления денежных средств на карту - от 1 до 30 дней с момента осуществления возврата Продавцом.

      После совершения оплаты с использованием банковской карты обязательно сохраняйте полученные карт-чеки (подтверждения об оплате в интернет-магазине) для сверки с выпиской из карт-счета (чтобы подтвердить совершенные операции при возникновении спорных ситуаций).

      Пример чека:

      Пример чека

      Способы оплаты

      1. По безналичному расчёту.
      2. При получении наличными деньгами или картой.
      3. Оплата через интернет пластиковой картой.
      4. Оплата через систему ЕРИП (Расчёт).
      5. Рассрочка оплаты по карте “Халва” (для частных лиц).
      6. Оплата через систему “М-банкинг”
      Система расчета ЕРИП Карта оплаты Халва Система М-банкинг Карты Visa и MasterCard Белкарт

      Способы доставки

      1. Самостоятельное получение в нашем пункте выдачи заказов (г. Минск, ул. Западная, д. 13).
      2. Доставка транспортом “Автолайтэкспресс” (до дверей). Внимательно изучите условия доставки.
      3. Получение на складе “Автолайтэкспресса”. Возможность получения заказа уже на следующий день.
      Доставка Autolightexpress

      0.04 BYN/шт
      Варианты цен
      0.04 BYN/шт
      Подробности
      Под заказ к 23.04
      Нашли дешевле?
      В корзинуВ корзине
      Купить в 1 клик
      Характеристики
      Артикул
      —
      0137423
      Количество штук в упаковке
      —
      1
      Область использования
      —
      Применяется в металлоконструкциях и машиностроении
      Номер таможенного тарифа
      —
      73182100
      EAN GTIN
      —
      4043377398987
      Масса нетто на 100 шт.
      —
      0.00 kg
      Измерение h h
      —
      1 mm
      Цена действительна только для интернет-магазина и может отличаться от цен в розничных магазинах

      Нужна консультация?

      Наши специалисты ответят на любой интересующий вопрос
      Задать вопрос
      Каталог
      Акции
      Наши клиенты
      Компания
      О нас
      Контакты
      Вопросы и ответы
      Новости
      Информация
      Оплата
      Доставка
      Сертификаты
      Блог
      • Instagram
      • Telegram
      • Viber
      • Viber
      +375 (29) 661-10-85
      sales@ph2.by
      г. Минск, ул.Западная 13-318
      Политика конфиденциальности
      Оплата банковской картой через систему bePaid
      ЧТУП «Ю-кэн»
      УНП: 191784531
      220036, Республика Беларусь, г. Минск, ул.Западная, д.13, каб.318
      Свидетельство гос.регистрации: № 191784531 от 20.06.2012
      Регистрационный номер в Торговом реестре №497042 от 26.11.2020
      2026 © Copyright ph2.by
      Разработано в
      Итач-cофт
      Каталог
      По всему сайту
      По каталогу