|
DIN |
ISO |
ГОСТ |
ИЗОБРАЖЕНИЕ |
ОПИСАНИЕ |
|
DIN 1 |
ISO 2339 |
ГОСТ 3129-70 |
|
|
|
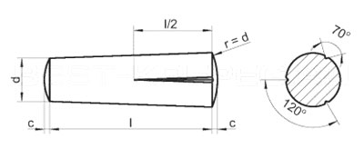
DIN 7 |
ISO 2338 |
ГОСТ 3128-70 |
|
Штифт цилиндрический незакалённый |
|
ISO 1207 |
ГОСТ 1491-80 |
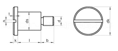
Винт с цилиндрической головкой, прямой шлиц |
||
|
ISO 1580 |
ГОСТ 11644-75 |
|
Винт с цилиндрической закругленной головкой, прямой шлиц |
|
| |
ГОСТ 13463-77ГОСТ 13464-77 |
|
Шайба стопорная с лапкой |
|
|
ISO 1234 |
ГОСТ 397-79 |
|
Шплинт |
|
| |
ГОСТ 1146-80 |
|
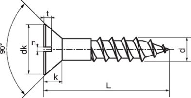
Шуруп по дереву с полупотайной головкой, прямой шлиц |
|
| |
ГОСТ 1144-80 |
Шуруп по дереву с полукруглой головкой, прямой шлиц |
||
| |
ГОСТ 1145-80 |
|
Шуруп по дереву с потайной головкой, прямой шлиц |
|
|
DIN 124 |
ISO 1051 |
|
|
Заклёпка под молоток стальная с полукруглой головкой, диаметр заклёпки от 10 до 36 мм, длина от 30 до 200 мм |
|
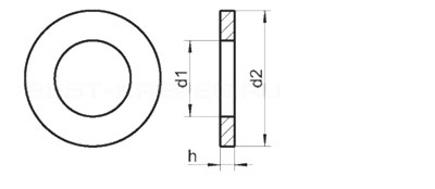
ISO 7089 |
ГОСТ 11371-78ГОСТ 9649-78 |
|
Шайба плоская без фаски, форма А |
|
|
DIN 125 B |
ISO 7090 |
ГОСТ 11371-78ГОСТ 9649-78 |
|
Шайба плоская с фаской, форма В |
|
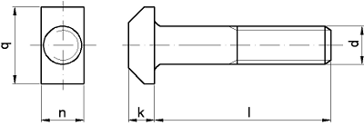
DIN 126 |
ISO 7091 |
|
|
Шайба плоская, стальная, диаметр внутренний от 5,5 до 96 |
|
DIN 127 A |
|
ГОСТ 6402-70 |
|
Шайба пружинная гровер, форма A - острые кромкидиаметр внутренний от 2 до 100 |
| |
ГОСТ 6402-70 |
|
Шайба пружинная гровер, форма В - притупленные кромкидиаметр внутренний от 2 до 100 |
|
| |
|
|
Шайба пружинная одновитковая изогнутая (Тип А) |
|
|
DIN 128 В |
|
|
|
Шайба пружинная одновитковая волнистая (Тип В) |
|
DIN 137 A |
|
|
|
Шайба пружинная изогнутая (тип А) |
|
DIN 137 B |
|
|
|
Шайба пружинная волнистая (тип В) |
|
DIN 186 B |
|
ГОСТ 13152-67 |
|
Болт к пазам станочным с квадратным подголовком |
|
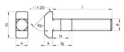
DIN 188 |
|
|
|
Болт с Т-образной головкой и усиком |
|
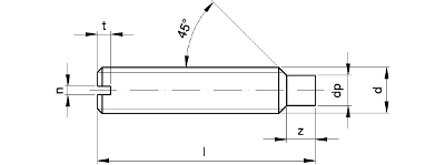
DIN 258 |
ISO 8992 |
|
|
Штифт конический с резьбовой цапфой, конусная часть постоянной длиныконусность 1:50диаметр от М5 до М16, длина от 40 до 160 |
|
DIN 261 |
|
|
|
T-болт с T-образной головкой для пазов |
|
DIN 302 |
ISO 1051 |
|
|
Заклёпка с потайной головкой, диаметр заклёпки от 10 до 30 мм, длина от 30 до 200 мм. |
| |
ГОСТ 3032-76 |
|
Гайка-барашек с прямоугольными лепестками, американский типдиаметр от М3 до М20 |
|
| |
ГОСТ 3032-76 |
|
Гайка-барашек с прямоугольными лепестками, немецкий типдиаметр от М4 до М20 |
|
|
DIN 316 AF |
|
|
|
Винты-барашки американский тип (с округлыми лепестками) |
|
DIN 316 GF |
|
|
|
Винт с радиальными отверстиями в цилиндрической головке, прямой шлиц |
|
ISO 7435 |
ГОСТ 1478-84 |
|
Винт установочный с цапфой, прямой шлиц |
|
|
ISO 2342 |
ГОСТ 18746-80 |
|
Винт установочный с неполной резьбой, прямой шлиц |
|
|
DIN 431 |
|
ГОСТ 15522-70 |
|
Гайка трубная низкая шестигранная с трубной дюймовой резьбой |
| |
|
|
Шайба стопорная с наружным выступом |
|
|
ISO 7092 |
ГОСТ 10450-78 |
|
Шайба плоская уменьшенная, для винтов с цилиндрической головкой |
|
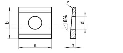
| |
ГОСТ 10906-78 |
|
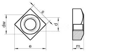
Шайба квадратная косая для швеллеров (наклон 8%) |
|
|
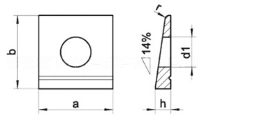
DIN 435 |
|
ГОСТ 10906-78 |
|
Шайба квадратная косая для швеллеров (наклон 14,5%) |
|
ISO 7094 |
|
|
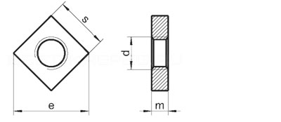
Шайба плоская квадратная для деревянных конструкций |
|
|
ISO 7436 |
ГОСТ 1479-84 |
|
Винт установочный с засверленным концом, прямой шлиц |
|
|
ISO 4036 |
ГОСТ 5929-70 |
|
Гайка шестигранная низкая, форма А без фаски |
|
|
DIN 439 B |
ISO 4035 |
ГОСТ 5916-70 |
|
Гайка шестигранная низкая, форма В с фаской |
|
ISO 7094 |
ГОСТ 6958-78 |
|
Шайба плоская увеличенная с круглым отверстием |
|
|
ISO 7094 |
ГОСТ 6958-78 |
|
Шайба плоская увеличенная с квадратным отверстием |
|
|
DIN 442 |
|
|
|
Крышка для укупорки закатыванием |
|
DIN 443 |
|
|
|
Крышка для укупорки вдавливанием |
| |
ГОСТ 14724-69 |
|
Болт откидной |
|
|
DIN 462 |
|
|
|
Шайба стопорная с внутренним выступом для шлицевой гайки |
| |
ГОСТ 13463-77ГОСТ 13464-77 |
|
Шайба стопорная с двумя лапками |
|
| |
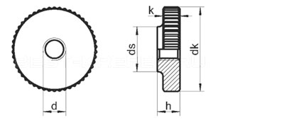
|
<
|
Винт нажимной с накатанной головкой, высокий |
|
| |
|
|
Винт нажимной с накатанной головкой, высокий с прямым шлицем |
|
| |
ГОСТ 14726-69 |
|
Гайка высокого типа с накатанной головкой |
|
| |
ГОСТ 14726-69 |
|
Гайка низкого типа с накатанной головкой |
|
|
DIN 470 |
|
|
|
Шайба запорная |
| |
ГОСТ 13942-86 |
|
Кольцо стопорное наружное (для валов) |
|
| |
ГОСТ 13943-86 |
|
Кольцо стопорное внутреннее (для отверстий) |
|
|
DIN 478 |
|
ГОСТ 1488-84 |
|
Винт установочный с квадратной головкой и буртиком, М6-М24 L16-180 |
|
DIN 479 |
|
ГОСТ 1482-84ГОСТ 1485-84 |
|
Винт установочный с квадратной головкой и подголовком |
|
DIN 480 |
|
ГОСТ 1486-84 |
|
Винт установочный с квадратной головкой, буртиком и закругленным концом, М 8 -М24 L20-160 |
|
DIN 546 |
|
ГОСТ 10657-80 |
|
Гайка круглая шлицевая |
|
DIN 508 |
ISO 299 |
|
|
Гайка для Т-образных пазов, М5-М48 |
|
DIN 525 |
ISO 2339 |
|
|
Шпилька приварная с гайкой, резьбовая стальная, М6-М36 |
|
DIN 546 |
|
ГОСТ 11871-88ГОСТ 10657-80 |
|
Гайка круглая шлицевая |
|
DIN 547 |
|
|
|
Гайка круглая с двумя торцевыми отверстиями |
|
DIN 548 |
|
|
|
Гайка круглая с радиальными отверстиями |
|
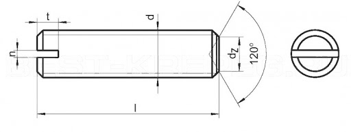
ISO 4766 |
ГОСТ 1477-93 |
|
Винт установочный с плоским концом, прямой шлиц |
|
|
ISO 7434 |
ГОСТ 1476-93 |
|
Винт установочный с острым концом, прямой шлиц |
|
|
DIN 555 |
ISO 4034 |
ГОСТ 5915-70ГОСТ 5927-70ГОСТ 10605-94 ГОСТ 15526-70" |
|
Гайка шестигранная, (аналог DIN 934), диаметр от М5 до М30 |
| |
|
|
Гайка квадратная с фаской |
|
|
DIN 558 |
ISO 4018 |
|
|
Болты с шестигранной головкой и полной резьбой |
|
DIN 561 |
|
ГОСТ 1481-84 |
|
Болт установочный с уменьшенной головкой и цапфой |
| |
|
|
Гайка квадратная низкая |
|
|
DIN 564 |
|
|
|
Болт стопорный с шестигранной уменьшенной головкой и коническим концом |
| |
ГОСТ 11473-75 |
|
Шуруп по дереву с шестигранной головкой (глухарь) |
|
|
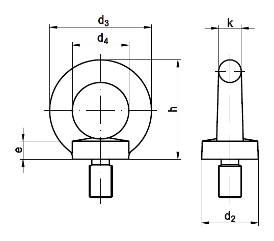
ISO 3266 |
ГОСТ 4751-73 |
|
Рым-болт |
|
| |
|
|
Рым-гайка |
|
|
DIN 601 |
ISO 4016 |
|
|
Болт с шестигранной головкой, с гайкой, неполная резьба |
|
ISO 8677 |
ГОСТ 7802-81 |
|
Болт с полукруглой низкой головкой и квадратным подголовком (мебельный) |
|
|
DIN 604 |
|
|
|
Болт с потайной головкой и усом |
|
DIN 605 |
|
ГОСТ 17673-81ГОСТ 7786-81 |
|
Болт с потайной головкой и высоким квадратным подголовком |
|
DIN 607 |
|
ГОСТ 7801-81 |
|
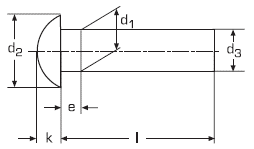
Болт мебельный с полукруглой головкой и усом |
|
DIN 608 |
|
ГОСТ 7786-81ГОСТ 17673-81 |
|
Болт с потайной головкой и низким квадратным подголовком |
|
DIN 609 |
|
|
|
Болт призонный шестигранный с длинной резьбовой цапфой |
|
DIN 610 |
|
|
|
Винт нажимной низкий с накатанной головкой |
|
DIN 660 |
ISO 1051 |
ГОСТ 10299-80 |
|
Заклепка под молоток с полукруглой головкой |
|
DIN 661 |
ISO 1051 |
ГОСТ 10300-80 |
|
Заклепка под молоток с потайной головкой |
|
DIN 662 |
ISO 1051 |
ГОСТ 10301-80 |
|
Заклёпка с полупотайной головкой |
|
DIN 674 |
ISO 1051 |
ГОСТ 10302-80 |
|
Заклёпка с полукруглой низкой головкой |
|
DIN 675 |
ISO 1051 |
|
|
Заклёпка с плоской потайной головкой |
|
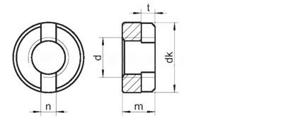
DIN 703 |
|
|
|
Кольцо установочное с гнездом для винта |
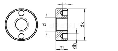
| |
|
|
Кольцо установочное с установочными винтами |
|
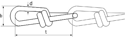
| |
ГОСТ 13186-67 |
|
Зажим для тросов с двумя гайками (Арт 9074) |
|
|
DIN 763 |
|
|
|
Цепь сварная длиннозвенная |
| |
|
|
Цепь сварная короткозвенная |
|
|
DIN 787 |
ISO 299 |
|
|
Винт для Т-образных пазов |
|
DIN 792 |
|
|
|
Болт с потайной цилиндрической головкой и усом |
|
DIN 797 |
|
|
|
Болт анкерный фундаментный |
|
DIN 798 |
|
|
|
Гайка анкерная квадратная для анкерных болтов |
| |
ГОСТ 22038-76 |
|
Шпилька с ввинчиваемым концом = 2d |
|
|
DIN 905 |
|
|
|
Ключ для болтов с внутренним четырёхгранником 11 мм |
| |
ГОСТ 2С98-3-73 |
|
Пробка (заглушка) резьбовая коническая с внутренним шестигранником |
|
| |
ГОСТ 2С98-4-73 |
|
Пробка (заглушка) резьбовая цилиндрическая с фланцем и внутренним шестигранником |
|
|
DIN 909 |
|
|
|
Пробка (заглушка) резьбовая коническая с шестигранной головкой |
| |
|
|
Пробка (заглушка) резьбовая с фланцем и шестигранной головкой |
|
|
DIN 911 |
ISO 2936 |
|
Ключ шестигранный |
|
|
ISO 4762 |
ГОСТ 11738-84 |
|
Винт с цилиндрической головкой и шестигранным углублением под ключ |
|
|
DIN 913 |
ISO 4026 |
ГОСТ 11074-93 |
|
Винт установочный с шестигранным углублением под ключ и плоским концом |
|
ISO 4027 |
ГОСТ 8878-93 |
|
Винт установочный с шестигранным углублением под ключ и коническим концом |
|
|
ISO 4028 |
ГОСТ 11075-93 |
|
Винт установочный с шестигранным углублением под ключ и цапфой |
|
|
DIN 916 |
ISO 4029 |
ГОСТ 28964-91 |
|
Винт установочный с шестигранным углублением под ключ и засверленным концом |
| |
|
|
Гайка колпачковая шестигранная слепая низкая |
|
| |
|
|
Винт с уменьшенной цилиндрической головкой и прямым шлицем |
|
| |
|
|
Винт с большой плоской цилиндрической головкой и прямым шлицем |
|
|
DIN 922 |
|
|
|
Винт с плоской уменьшенной головкой и цилиндрической цапфой |
| |
ГОСТ 9052-69 |
|
Винт с плоской головкой и буртиком, прямой шлиц |
|
|
DIN 924 |
|
|
|
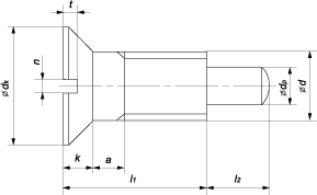
Винт с полупотайной головкой с прямым шлицем и цапфой |
|
DIN 925 |
|
|
|
Винт с потайной головкой с прямым шлицем и цапфой |
|
DIN 926 |
|
|
|
Винт без головки с прямым шлицем и цапфой |
|
DIN 927 |
|
|
|
Винт с цилиндрической цапфой и прямым шлицем |
| |
|
|
Гайка квадратная приварная |
|
| |
|
|
Гайка шестигранная приварная |
|
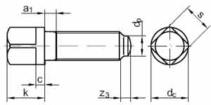
|
ISO 4014 |
ГОСТ 7798-70ГОСТ 7805-70 |
|
Болт с шестигранной головкой, неполная резьба |
|
|
ISO 4017 |
ГОСТ 7796-70 |
|
Болт с шестигранной головкой, полная резьба |
|
|
ISO 4032ISO 8673 |
ГОСТ 5915-70ГОСТ 5927-70 |
|
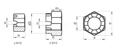
Гайка шестигранная |
|
|
ISO 4032ISO 8673 |
ГОСТ 5915-70ГОСТ 5927-70 |
|
Гайка шестигранная с левосторонней резьбой |
|
|
ISO 4032ISO 8673 |
ГОСТ 5915-70ГОСТ 5927-70 |
|
Гайка шестигранная, мелкая резьба |
|
|
ISO 7035ISO 7036ISO 7037 |
ГОСТ 5918-73ГОСТ 5932-73 |
|
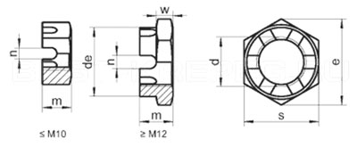
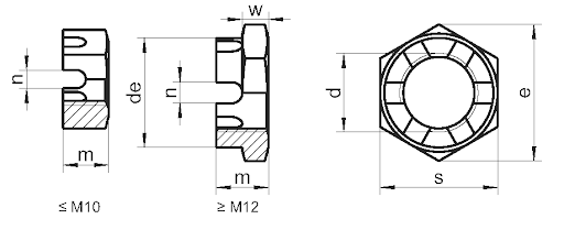
Гайка шестигранная корончатая, до М10 - прорезная, под шплинт шестигранная от М4 до М100 |
|
|
ISO 4035ISO 8675 |
ГОСТ 5916-70 |
|
Гайка шестигранная низкая с фаской от М8 до М64 |
|
|
ISO 7038 |
ГОСТ 5919-73ГОСТ 5932-73 |
|
Гайка корончатая низкая, до М10 - прорезная, шестигранная, от М6 до М52 |
|
| |
ГОСТ 22033-76 |
|
Шпилька резьбовая с ввинчиваемым концом = 1d , диаметр от М5 до М36, длина от 16 до 200 |
|
|
DIN 939 |
|
ГОСТ 22034-76ГОСТ 22035-76 |
|
Шпилька резьбовая, с ввинчиваемым концом = 1.25d , диаметр от М6 до М36, длина от 16 до 220 |
|
DIN 940 |
|
|
|
Шпилька резьбовая, ввинчиваемый конец ~ 2.5d |
|
DIN 960 |
ISO 8765ISO 8676 |
ГОСТ 7798-70ГОСТ 7805-70ГОСТ 15589-70 |
|
Болт с шестигранной головкой с метрической мелкой и супермелкой резьбой, неполная резьба |
|
ISO 8676 |
ГОСТ 7798-70ГОСТ 7805-70ГОСТ 15589-70 |
|
Болт с шестигранной головкой с метрической мелкой полной резьбой |
|
|
DIN 962 |
ISO 7378 |
|
|
Стандарт на размеры отверстий в болтах под шплинт, пломбу |
|
ISO 2009 |
ГОСТ 17475-80 |
|
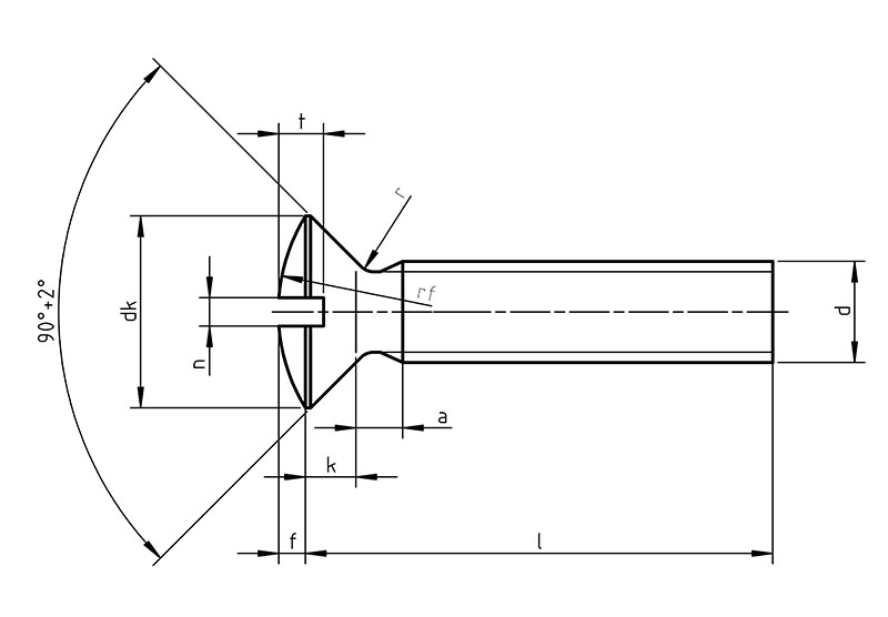
Винт с потайной головкой, прямой шлиц диаметр от М1.6 до М12 |
|
|
ISO 2010 |
ГОСТ 17474-80 |
|
Винт с полупотайной головкой, прямой шлиц |
|
|
ISO 7046-1ISO 7046-2 |
ГОСТ 17475-80 |
|
Винт с потайной головкой, шлиц TX (TORX) диаметр от М2 до М6 |
|
|
ISO 7047 |
ГОСТ 17474-80 |
|
Винт с полупотайной головкой, шлиц TX (TORX) диаметр от М2 до М6 |
|
|
DIN 967 |
|
ГОСТ 11644-75 |
|
Винт с полукруглой головкой с фланцем (полусфера с прессшайбой), с крестообразным шлицем и метрической полной резьбой |
|
DIN 968 |
|
|
|
Шуруп саморез с полукруглой головкой с буртиком |
|
DIN 970 |
ISO 4032 |
|
|
Гайка шестигранная с метрической и дюймовой резьбой |
|
DIN 971 |
ISO 8673ISO 8674 |
|
|
Гайка шестигранная с метрической мелкой резьбой |
|
DIN 975 |
|
|
|
Шпилька резьбовая метровая |
| |
|
|
Шпильки с полной резьбой |
|
| |
|
|
Шпилька резьбовая, с левосторонней резьбой |
|
|
DIN 977 |
ISO 21670 |
|
|
Гайка шестигранная приварная с фланцем |
|
ISO 7038 |
|
|
Гайка корончатая низкая с крупным и мелким шагом резьбы |
|
|
DIN 980 |
ISO 7719ISO 10513 |
|
|
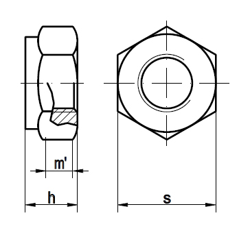
Гайка шестигранная самоконтрящаяся со скошенными краями, диаметр от М4 до М36 |
|
DIN 981 |
|
|
|
Гайка круглая шлицевая |
|
ISO 7040ISO 10512 |
|
|
Гайка шестигранная высокая самоконтрящаяся с неметаллической вставкой (с нейлоновым вкладышем) |
|
|
DIN 983 |
|
|
|
Кольцо стопорное пружинное наружное с лапками для вала |
|
DIN 984 |
|
|
|
Кольцо стопорное пружинное внутреннее с лапками для отверстия |
|
ISO 10511 |
|
|
Гайка шестигранная самоконтрящаяся, самостопорящаяся, низкая, c неметаллической вставкой (с нейлоновым вкладышем) диаметр от М2,5 до М56 |
|
| |
|
|
Гайка шестигранная колпачковая самоконтрящаяся |
|
| |
|
|
Шайба регулировочная, плоская, подгоночная калиброванная |
|
| |
|
|
Шайба плоская увеличенная для деревянных элементов |
|
|
DIN 1142 |
|
|
|
Зажим канатный, тросовый. |
|
DIN 1433 |
|
|
|
Палец цилиндрический |
|
DIN 1434 |
|
|
|
Палец цилиндрический с уменьшенной головкой |
|
DIN 1435 |
|
|
|
Палец цилиндрический с головкой |
|
DIN 1436 |
|
|
|
Палец цилиндрический с широкой головкой |
|
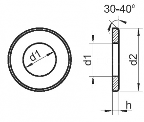
ISO 8738 |
|
|
Шайба плоская для штифтов |
|
| |
|
|
Шайба плоская под палец |
|
|
DIN 1443 |
ISO 2340 |
|
|
Штифт цилиндрический без головки |
|
DIN 1444 |
ISO 2341 |
|
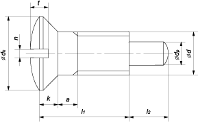
Болт с уменьшенной плоской двухгранной головкой и резьбовой цапфой |
|
|
DIN 1469 |
|
|
|
Штифт просечной цилиндрический с шейкой |
|
DIN 1470 |
ISO 8739 |
|
|
Штифт цилиндрический насечённый |
|
ISO 8744 |
|
|
Штифт конический насечённый по всей длине |
|
|
ISO 8745 |
|
|
Штифт конический насечённый наполовину |
|
|
DIN 1473 |
ISO 8740 |
|
|
Штифт цилиндрический насеченный по всей длине с фаской |
|
ISO 8741 |
|
|
Штифт забивной цилиндрический с насечкой 1/2 длины с утолщением |
|
|
DIN 1475 |
ISO 8742ISO 8743 |
|
|
Штифт цилиндрический с насечкой посредине 1/3 длины |
|
ISO 8746 |
|
|
Штифт (заклёпка) цилиндрический с полукруглой головкой и насечкой по всей длине |
|
|
DIN 1477 |
ISO 8747 |
|
|
Штифт с потайной головкой насечённый по всей длине |
|
DIN 1478 |
|
|
|
Талреп закрытый |
|
DIN 1479 |
|
|
|
Гайка (муфта) стяжная шестигранная |
|
DIN 1480 SPRH |
|
|
|
Талреп открытый, крюк - кольцо |
|
DIN 1480 SPRR |
|
|
|
Талреп открытый, кольцо - кольцо |
|
DIN 1480 SPHH |
|
|
|
Талреп открытый, крюк - крюк |
|
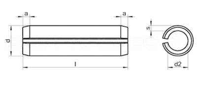
DIN 1481 |
ISO 8752 |
ГОСТ 14229-93 |
|
Штифт пружинный цилиндрический, разрезной |
| |
ГОСТ 11860-85 |
|
Гайка шестигранная колпачковая |
|
|
DIN 1624 |
|
|
|
Гайка мебельная забивная (врезная) |
|
DIN 1804 |
|
ГОСТ 11871-88 |
|
Гайка круглая шлицевая |
|
DIN 1816 |
|
ГОСТ 6393-73 |
|
Гайка круглая с радиальными отверстиями для штифтов |
|
DIN 2093 |
|
ГОСТ 3057-90 |
|
Шайба пружинная тарельчатая |
|
DIN 2510 |
|
|
|
Гайка шестигранная для шпилек |
| |
|
|
Хомут червячный ленточный |
|
|
DIN 3055 |
|
|
|
Трос стальной оцинкованный |
|
DIN 3060 |
|
ГОСТ 3070-88 |
|
Канат (трос) стальной оцинкованный |
|
DIN 3061 |
|
|
|
Канат стальной |
| (ART 9440) | |
ГОСТ 24137-80 |
|
Хомут U-образный трубный |
|
DIN 5406 |
|
ГОСТ 11872-89 |
|
Шайба многолапчатая |
| |
|
|
Гайка шестигранная высокая |
|
|
DIN 5685 |
|
|
|
Цепь оцинкованная стальная |
|
DIN 5686 |
|
|
|
Цепь стальная витая |
|
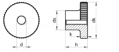
DIN 6303 |
|
|
|
Гайка с накаткой |
|
DIN 6319 |
|
ГОСТ 13438-68 |
|
Шайба сферическая |
|
DIN 6319 |
|
|
|
Шайба с внутренним конусом |
|
ISO 8734 |
ГОСТ 3128-70 |
|
Штифт цилиндрический закалённый, шлифованный |
|
| |
ГОСТ 15524-70 |
|
Гайка шестигранная высокая, высота=1,5d |
|
|
DIN 6331 |
|
ГОСТ 8918-69 |
|
Гайка шестигранная высокая с фланцем, высота=1,5d |
|
DIN 6332 |
|
|
|
Шпилька стопорная с упорной цапфой |
| |
|
|
Гайка втулка шестигранная удлиненная |
|
|
DIN 6340 |
|
|
|
Шайба плоская усиленная закалённая |
| |
ГОСТ 13439-68 |
|
Шайба пружинная тарельчатая для болтовых соединений |
|
| |
ГОСТ 10461-81 |
|
Шайба стопорная зубчатая с внешними зубцами |
|
| |
ГОСТ 10462-81 |
|
Шайба стопорная зубчатая с внутренними зубцами |
|
|
DIN 6797 V |
|
ГОСТ 10464-81 |
|
Шайба стопорная зубчатая с внешними зубцами под винты с потайной головкой |
| |
ГОСТ 10463-81 |
|
Шайба стопорная с упругими внешними зубцами |
|
| |
ГОСТ 10462-81 |
|
Шайба стопорная с упругими внутренними зубцами |
|
| |
ГОСТ 10464-81 |
|
Шайба стопорная с упругими внешними зубцами под винты с потайной головкой |
|
| |
ГОСТ 11648-75 |
|
Шайба стопорная (упорная быстросъёмная)для вала |
|
|
DIN 6884 |
ISO 2492 |
|
|
Шпонка клиновая с головкой и без головки, с лыской |
|
ISO 2491 |
ГОСТ 23360-78 |
|
Шпонка призматическая |
|
|
DIN 6887 |
ISO 774 |
|
|
Шпонка клиновая врезная с головкой и без головки |
|
DIN 6888 |
ISO 3912 |
ГОСТ 24071-97 |
|
Шпонка сегментная |
|
DIN 6899 |
|
|
|
Коуш стальной для троса, каната |
|
DIN 6900 |
|
|
|
Винты комбинированные с невыпадающими шайбами |
|
DIN 6901 |
|
|
|
Винты самонарезающие с невыпадающими плоскими шайбами |
|
DIN 6902 |
|
|
|
Плоские шайбы для комбинированных винтов |
|
DIN 6904 |
|
|
|
Упругие шайбы для комбинированных винтов |
|
DIN 6905 |
|
|
|
Пружинные шайбы для комбинированных винтов |
|
DIN 6906 |
|
|
|
Шайбы пружинные с зубцами для комбинированных винтов |
|
DIN 6907 |
|
|
|
Шайбы упругие фасонные с наружными зубцами для комбинированных винтов |
|
DIN 6908 |
|
|
|
Шайбы упругие зажимные для комбинированных винтов |
|
DIN 6911 |
|
|
|
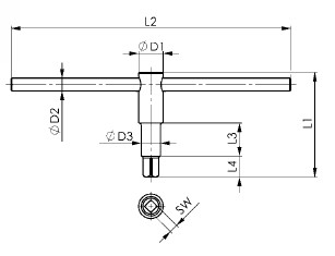
Ключ торцевой для внутреннего шестигранника с направляющей |
| |
ГОСТ 11738-84 |
|
Винт с цилиндрической низкой головкой и шестигранным углублением под ключ |
|
|
DIN 6913 |
|
|
|
Шайба пружинная с защитным пояском |
|
DIN 6914 |
ISO 7412 |
ГОСТ Р 52644-2006ГОСТ 22353-77 |
|
Болт высокопрочный |
|
DIN 6915 |
ISO 7414 |
ГОСТ Р 52646-2006 |
|
Гайка шестигранная высокопрочная с увеличенным размером под ключ |
|
DIN 6916 |
ISO 7416 |
|
|
Шайба закалённая круглая для высоконагруженных резьбовых соединений |
|
DIN 6917 |
|
|
|
Шайба косая квадратная с проточкой (14 Grad) для высоконагруженных резьбовых соединений |
|
DIN 6918 |
|
|
|
Шайба косая квадратная с двумя проточками (8 Grad) для высоконагруженных резьбовых соединений |
|
ISO 4162 |
|
|
Винт с шестигранной головкой и фланцем |
|
|
DIN 6922 |
ISO 4162ISO 8104 |
|
|
Болт высокопрочный с фланцем и переходным хвостовиком |
|
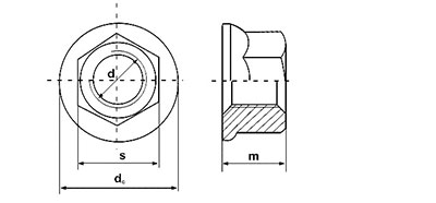
ISO 4161ISO 10663 |
ГОСТ 8919-69 |
|
Гайка шестигранная с фланцем |
|
|
DIN 6924 |
ISO 7040ISO 10512 |
|
|
Гайка шестигранная самоконтрящаяся c неметаллическим вкладышем |
|
DIN 6925 |
ISO 7042ISO 10513 |
|
|
Гайка шестигранная самоконтрящаяся цельнометаллическая |
|
ISO 7043ISO 12125 |
|
|
Гайка шестигранная с зубчатым фланцем |
|
|
DIN 7337 A |
ISO 15983 |
|
|
Заклепка вытяжная |
|
DIN 7343 |
ISO 8750 |
|
|
Штифт пружинный |
|
DIN 7346 |
ISO 13337 |
|
|
Штифт пружинный цилиндрический с прорезью |
|
DIN 7349 |
|
|
|
Шайба плоская увеличенная, усиленная |
|
DIN 7500 |
|
ГОСТ 11650-80 |
|
Винт самонарезающий для метрической резьбы |
|
DIN 7504 K |
ISO 15480 |
|
|
Винт самонарезающий, шестигранная головка, сверлоконечный |
|
DIN 7504 М |
ISO 15481 |
|
|
Винт самонарезающий, полукруглая головка, сверлоконечный |
|
DIN 7504 O |
ISO 15482 |
|
|
Винт самонарезающий, потайная головка, сверлоконечный |
| |
|
|
Гайка стопорная самоконтрящаяся пружинная |
|
|
DIN 7968 |
|
|
|
Болт с гайкой, прецизионный |
|
DIN 7969 |
|
|
|
Винт с потайной головкой со шлицем и с шестигранной гайкой |
|
DIN 7971 |
ISO 1481 |
|
|
Винт самонарезающий с цилиндрической головкой, прямой шлиц |
|
DIN 7972 |
ISO 1482 |
|
|
Винт самонарезающий с потайной головкой, прямой шлиц |
|
ISO 1483 |
|
|
Винт самонарезающий с полупотайной головкой, прямой шлиц |
|
|
DIN 7976 |
ISO 1479 |
|
Винт самонарезающий с шестигранной головкой |
|
|
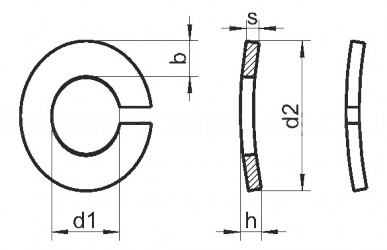
DIN 7980 |
|
ГОСТ 6402-70 |
Шайба пружинная (гровер) |
|
|
DIN 7981 |
ISO 7049 |
ГОСТ 10621-80 |
Винт самонарезающий с полукруглой головкой, крестообразный шлиц |
|
|
DIN 7981 TX |
ISO 14585 |
|
Винт самонарезающий с полукруглой головкой, шлиц TORX |
|
|
DIN 7982 |
ISO 7050 |
ГОСТ 10619-80 |
Винт самонарезающий с потайной головкой, крестообразный шлиц |
|
|
DIN 7982 TX |
ISO 14586 |
|
Винт самонарезающий с потайной головкой, шлиц TORX |
|
|
DIN 7983 |
ISO 7051 |
ГОСТ 10620-80 |
Винт самонарезающий с полупотайной головкой, крестообразный шлиц |
|
|
DIN 7984 |
ISO 14580 |
|
Винт с цилиндрической низкой головкой и шестигранным углублением под ключ |
|
|
DIN 7985 |
ISO 7045 |
ГОСТ 17473-80 |
Винт с полукруглой головкой, крестообразный шлиц |
|
|
DIN 7991 |
ISO 10642 |
|
Винт с потайной головкой с шестигранным углублением под ключ |
|
|
DIN 7993 |
|
ГОСТ 13940-86 |
Кольцо стопорное пружинное из круглой проволоки для валов |
|
|
DIN 7997 |
|
ГОСТ 1145-80 |
Шуруп по дереву с потайной головкой, крестообразный шлиц |
|
|
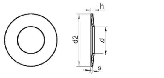
DIN 9021 |
ISO 7093 |
ГОСТ 6958-78 |
Шайба плоская увеличенная |































































































































































































































